
|
型式 規格 |
活塞直徑 (mm) |
活塞面積 (cm2) 推側 / 拉側 |
最大拉桿出力 KN(kgf) 推側 / 拉側 |
活塞行程 (mm) |
最大使用油壓力 (kgf / cm2) |
最高轉速 (r.p.m.) |
慣性矩 I (kg‧m2 ) |
重量 (kg) |
總流量 L/min |
| MR15035 | 150 | 171.1 / 156.7 | 72(7342) / 66(6730) | 35 | 4.5(45.9) | 5500 | 0.043 | 12.8 | 0.8 |
| MR20060 | 200 | 310 / 286 | 146(14887) / 134(13664) | 60 | 4.9(50) | 5000 | 0.55 | 49 | 2 |
| MR25060 | 250 | 481.5 / 453.6 | 227(23147) / 214(21822) | 60 | 4.9(50) | 2000 | 0.81 | 72 | 2 |
|
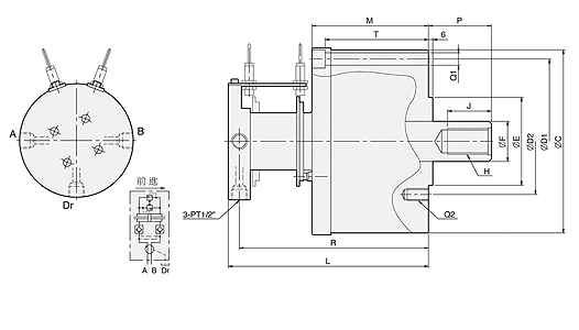
型式 尺寸 |
C | C1 | D1 | D2 |
E (h7) |
F | G | H | J | L | M |
P max. |
P min. |
Q1 | Q2 | R | T | Z |
| MR15035 | 202 | 204 | 180 | 130 | 110 | 110 | 45 | M30x3.5 | 45 | 175 | 95 | 61 | 26 | 6-Ø13 | 12-M12 | 163 | 82 | 5 |
| MR20060 | 250 | 225 | 225 | 145 | 120 | 55 | 37 | M36xP4.0 | 60 | 270 | 156 | 85 | 25 | 6-Ø17 | 6-M16 | 255 | 140 | 6 |
| MR25060 | 300 | 305 | 275 | 220 | 160 | 65 | 44 | M42xP3.0 | 60 | 280 | 168 | 85 | 25 | 6-Ø17 | 6-M20 | 265 | 150 | 6 |