
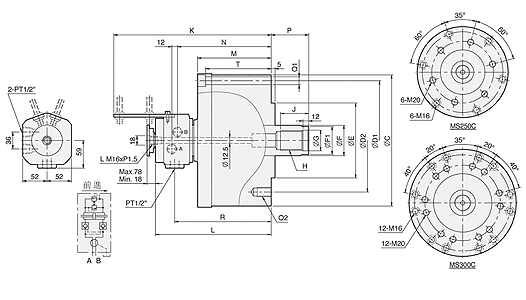
|
型式 規格 |
活塞直徑 (mm) |
活塞面積 (cm2) 推側 / 拉側 |
最大拉桿出力 KN(kgf) 推側 / 拉側 |
活塞行程 (mm) |
最大使用油壓力 (kgf / cm2) |
最高轉速 (r.p.m.) |
慣性矩 I (kg‧m2 ) |
重量 (kg) |
總流量 L/min |
| MS250C | 250 | 481.5 / 453.6 | 227(23147) / 214(21822) | 60 | 4.9(50) | 2000 | 0.87 | 78 | 2 |
| MS300C | 300 | 697.5 / 658.6 | 262(26716) / 247(25186) | 60 | 4.0(40.8) | 1500 | 1.6 | 106 | 3 |
|
型式 尺寸 |
C | D1 | D2 |
E (h7) |
F | F1 | G | H | J | K | L | M | N |
P max. |
P min. |
Q1 | Q2 | R | T |
| MS250C | 300 | 275 | 220 | 160 | 65 | 62 | 44 | M42x3.0 | 60 | 356 | 177 | 177 | 220 | 85 | 25 | 6-Ø17 | 6-M20 | 226 | 160 |
| MS300C | 355 | 330 | 270 | 210 | 75 | 70 | 50 | M48X3.0 | 70 | 359 | 182 | 182 | 223 | 85 | 25 | 12-Ø17 | 12-M20 | 229 | 165 |