
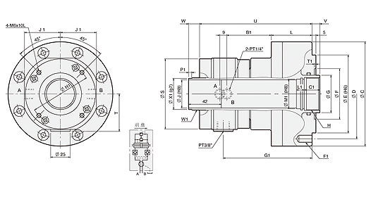
|
型式 規格 |
活塞直徑 (mm) |
活塞面積 (cm2) 推側 / 拉側 |
最大拉桿出力 KN(kgf) 推側 / 拉側 |
活塞行程 (mm) |
最大使用油壓力 (kgf / cm2) |
最高轉速 (r.p.m.) |
慣性矩 I (kg‧m2 ) |
重量 (kg) |
總流量 L/min |
| MM1036A | 100 | 64 / 60 | 23.8(2427) / 22.3(2274) | 5 | 4.0(40.8) | 8000 | 0.013 | 7 | 0.8 |
| MM1246A | 125 | 100 / 89 | 38(3875) / 33(3365) | 15 | 4.0(40.8) | 7000 | 0.026 | 9.8 | 3.0 |
|
型式 尺寸 |
C | D | E | F | G | H | J | L | T | U |
V max. |
V min. |
W max. |
W min. |
B1 | C1 | F1 | G1 | H1 | J1 | L1 | M1 | Q1 | T1 | W1 | P1 | X1 |
| MM1036A | 134 | 115 | 100 | 65 | 48 | M42xP1.5 | 36 | 52 | 48 | 144 | 10 | 5 | 17 | 12 | 57 | 20 | 6-M10x15 | 113.5 | 76 | 46 | 10 | 38 | M4x9L | 2 | M42xP1.5 | 2 | 40 |
| MM1246A | 155 | 130 | 100 | 80 | 65 | M55xP2.0 | 46 | 76 | 61 | 179 | 15 | 0 | 40 | 25 | 59.5 | 30 | 12-M10x20 | 140 | 105 | 59 | 15 | 50 | M6x10L | 6 | M52xP1.5 | 9 | 50 |