
|
型式 規格 |
活塞直徑 (mm) |
活塞面積 (cm2) 推側 / 拉側 |
最大拉桿出力 KN(kgf) 推側 / 拉側 |
活塞行程 (mm) |
最大使用油壓力 (kgf / cm2) |
最高轉速 (r.p.m.) |
慣性矩 I (kg‧m2 ) |
重量 (kg) |
總流量 L/min |
| ML2814CM28B | 285 | 394 / 350 | 116.8(11910) / 106.8(10584) | 42 | 3.3(33.6) | 2000 | 1.08 | 87 | 11 |
| ML2816CM28B | 285 | 394 / 350 | 116.8(11910) / 106.8(10584) | 42 | 3.3(33.6) | 2000 | 0.90 | 72 | 11 |
| ML3320CM33B | 335 | 515.7 / 416.9 | 152.9(15591) / 136.9(13960) | 42 | 3.3(33.6) | 1600 | 1.09 | 103 | 14 |
|
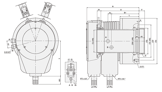
型式 尺寸 |
C | D |
E (H6) |
G | H | J | L | R | T | U |
V max. |
V min. |
W max. |
W min. |
A1 | B1 | F1 | M1 |
| ML2814CM28B | 335 | 280 | 240 | 190 | M158x3.0 | 145 | 140 | 382 | 260 | 279 | 41 | -1 | 67 | 25 | 18 | 202 | M16x32L | 150 |
| ML2816CM28B | 335 | 280 | 240 | 190 | M180x3.0 | 166.5 | 140 | 382 | 260 | 279 | 41 | -1 | 67 | 25 | 18 | 202 | M16x32L | 170 |
| ML3320CM33B | 390 | 320 | 240 | 230 | M215x3.0 | 205 | 147 | 392 | 260 | 292 | 41 | -1 | 67 | 25 | 18 | 210 | M20x32L | 210 |