
|
型式 規格 |
活塞直徑 (mm) |
活塞面積 (cm2) 推側 / 拉側 |
最大拉桿出力 KN(kgf) 推側 / 拉側 |
活塞行程 (mm) |
最大使用油壓力 (kgf / cm2) |
最高轉速 (r.p.m.) |
慣性矩 I (kg‧m2 ) |
重量 (kg) |
總流量 L/min |
| MK-1246 | 128 | 102.6 / 91.4 | 43.64466) / 38.9(3967) | 16 | 4.5(45.9) | 8000 | 0.017 | 8.6 | 3.1 |
| MK1246F | 128 | 102.6 / 91.4 | 43.6(4466) / 38.9(3967) | 16 | 4.5(45.9) | 8000 | 0.018 | 9.2 | 3.1 |
| MK1452 | 145 | 133 / 122.6 | 56.5(5761) / 52.1(5313) | 22 | 4.5(45.9) | 6500 | 0.028 | 12 | 3.9 |
| MK-1452F | 145 | 133 / 122.6 | 56.5(5761) / 52.1(5313) | 22 | 4.5(45.9) | 6500 | 0.029 | 12.5 | 3.9 |
| MK1768 | 170 | 166 / 152 | 70.7(7209) / 64.7(6597) | 25 | 4.5(45.9) | 5500 | 0.065 | 19.4 | 4.5 |
| MK-1775 | 170 | 166 / 152 | 70.7(7209) / 64.7(6597) | 25 | 4.5(45.9) | 5500 | 0.060 | 17.8 | 4.5 |
| MK1778 | 170 | 166 / 152 | 70.7(7209) / 64.7(6597) | 25 | 4.5(45.9) | 5500 | 0.059 | 17.4 | 4.5 |
| MK1881 | 180 | 187 / 171.9 | 79.5(8107) / 73.1(7454) | 25 | 4.5(45.9) | 4800 | 0.087 | 24 | 4.5 |
|
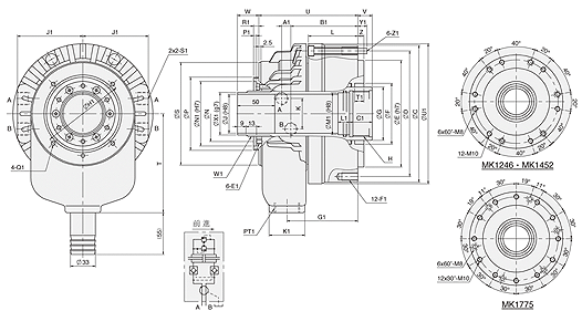
型式 尺寸 |
A1 | B1 | C1 | E1 | F1 | G1 | H1 | J1 | K1 | L1 | M1 | N1 | P1 | Q1 | R1 | S1 | T1 | U1 | W1 | X1 | Y1 | Z1 |
| MK-1246 | 8.5 | 79.5 | 25 | M6x10 | 12-M10x20 | 84 | 98 | 76 | 47 | 15 | 50 | 76 | 4 | M5x6 | 9 | PT 3/8 | 12 | 165 | M52x1.5 | 50 | 15 | M8 |
| MK1246F | 8.5 | 89.5 | 30 | M6x10 | 6-M10x20 | 94 | 98 | 76 | 47 | 15 | 50 | 76 | 4 | M5x6 | 9 | PT 3/8 | 8 | 165 | M52x1.5 | 50 | 15 | M8 |
| MK1452 | 9 | 88 | 30 | M6x12 | 12-M10x20 | 93 | 110 | 86 | 47 | 15 | 55 | 85 | 4 | M6x6 | 16 | PT 3/8 | 12 | 184 | M58x1.5 | 56 | 12 | M8 |
| MK-1452F | 9 | 95 | 30 | M6x12 | 6-M10x20 | 100 | 110 | 86 | 47 | 15 | 55 | 85 | 4 | M6x6 | 16 | PT 3/8 | 8 | 184 | M58x1.5 | 56 | 15 | M8 |
| MK1768 | 17.5 | 99 | 30 | M6x12 | 12-M10x20 | 110 | 155 | 100 | 47 | 15 | 70 | 108 | 4 | M6x10 | 7 | PT 1/2 | 12 | 216 | M84x2.0 | 81 | 18 | M10 |
| MK-1775 | 17.5 | 99 | 30 | M6x12 | 12-M10x20 | 110 | 155 | 100 | 47 | 15 | 80 | 108 | 4 | M6x10 | 7 | PT 1/2 | 12 | 216 | M84x2.0 | 81 | 18 | M10 |
| MK1778 | 17.5 | 99 | 30 | M6x12 | 12-M10x20 | 110 | 155 | 100 | 47 | 15 | 82 | 108 | 4 | M6x10 | 7 | PT 1/2 | 12 | 216 | M84x2.0 | 81 | 18 | M10 |
| MK1881 | 17 | 106 | 35 | M6x12 | 12-M10x20 | 115 | 166 | 105 | 47 | 15 | 85 | 113 | 4 | M6x10 | 16.5 | PT 1/2 | 12 | 226 | M89x2.0 | 86 | 19 | M10 |
|
型式 尺寸 |
C | D | D1 | E | F | G | H | J | K | L | N | P | S | T | U |
V max. |
V min. |
W max. |
W min. |
Z |
| MK-1246 | 162 | 147 | 147 | 130 | 75 | 65 | M55x2.0 | 46 | 40 | 58 | 64 | 85 | 85 | 120 | 120 | 13 | -3 | 44 | 28 | 8 |
| MK1246F | 162 | 130 | 147 | 100 | 75 | 65 | M55x2.0 | 46 | 40 | 68 | 64 | 85 | 85 | 120 | 130 | 14 | -2 | 44 | 28 | 5 |
| MK1452 | 184 | 165 | 165 | 140 | 80 | 70 | M60x2.0 | 52 | 40 | 68 | 73 | 96 | 96 | 130 | 130 | 19 | -3 | 53.5 | 31.5 | 8 |
| MK-1452F | 186 | 170 | 165 | 130 | 80 | 70 | M60x2.0 | 52 | 40 | 73 | 73 | 96 | 96 | 130 | 137 | 21 | -1 | 53.5 | 31.5 | 5 |
| MK1768 | 212 | 195 | 195 | 160 | 105 | 95 | M75x2.0 | 68 | 46 | 71 | 98 | 121 | 121 | 160 | 157 | 22 | -3 | 50 | 25 | 8 |
| MK-1775 | 212 | 195 | 195 | 160 | 105 | 95 | M85x2.0 | 75 | 46 | 71 | 98 | 121 | 121 | 160 | 157 | 22 | -3 | 50 | 25 | 8 |
| MK1778 | 212 | 195 | 195 | 160 | 105 | 95 | M87x2.0 | 78 | 46 | 71 | 98 | 121 | 121 | 160 | 157 | 22 | -3 | 50 | 25 | 8 |
| MK1881 | 222 | 205 | 205 | 168 | 110 | 100 | M90x2.0 | 81 | 46 | 71 | 103 | 126 | 126 | 175 | 167 | 23 | -2 | 58 | 33 | 8 |