
|
型式 規格 |
爪行程 (mm) |
最大夾持力 (kn) |
重量 (kg) |
| HB4-160 | 20 | 39.2 | 29 |

|
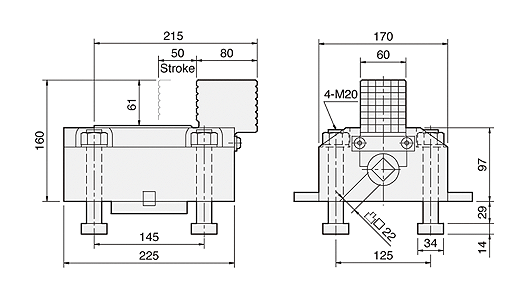
型式 規格 |
爪行程 (mm) |
最大夾持力 (kn) |
重量 (kg) |
| HB4-189 | 50 | 39.2 | 31 |

|
型式 規格 |
爪行程 (mm) |
最大夾持力 (kn) |
重量 (kg) |
適合生爪 |
| HB4-2P | 50 | 39.2 | 31 | HE2486 |