卡盘商城欢迎您!
微信公众号
扫一扫关注
收藏本站
帮助中心
网站首页
台湾卡盘
韩国卡盘
日本卡盘
德国卡盘
国产卡盘
卡盘资讯
联系我们
卡盘油缸一站式供应
℃
收藏
分享
台湾亿川autostrong浮动顶针夹头P165
品牌:
台湾亿川
动力:
浮动顶针夹头P165
爪数:
型号:
P165
产品介绍
图纸下载
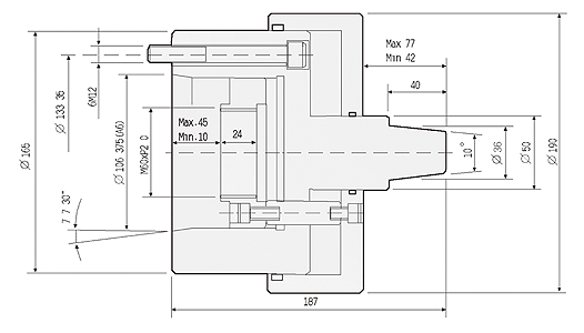
台湾亿川型号:P165
單位 : mm
型式
規格
浮動盤行程
(mm)
最大使用油壓力
MPa(kgf/cm
2
)
最高轉速
(r.p.m.)
重量
(kg)
慣性矩 I
(kg‧m
2
)
適合
油壓缸
P165
35
1.0(10)
6000
18.5
0.02
MS125C35