
|
型式 規格 |
柱塞行程 (mm) |
爪行程直徑 (mm) |
最大容許拉力 kN(kgf) |
最大夾持力 kN(kgf) |
最大使用油壓力 MPa(kgf/cm2) |
最高轉速 (r.p.m.) |
重量 (kg) |
慣性矩 I (kg‧m2 ) |
適合 油壓缸 |
適合 生爪 |
外徑夾持範圍 (mm) |
| DR-06 | 10 | 7.2 | 15(1530) | 25(2549) | 2.1(21.4) | 3500 | 15 | 0.05 | MS105C | DR06-HC | Ø35-Ø165 |
| DR-08 | 10 | 7.2 | 25(2590) | 45(4589) | 2.5(25.5) | 3000 | 25 | 0.14 | MS125C | DR08-HC | Ø40-Ø210 |
|
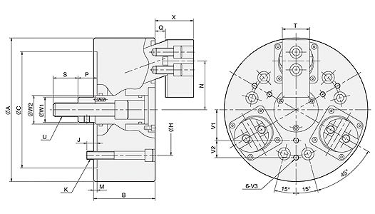
型式 尺寸 |
A | B | C | H | J | K | M |
N max. |
N min. |
P max. |
P min. |
Q max. |
Q min. |
S | T | U | W1 | W2 |
X max. |
X min. |
V1 | V2 | V3 |
| DR-06 | 165 | 85 | 140 | 104.78 | 16 | 6xM10 | 5 | 58 | 54.4 | 33 | 23 | 14 | 4 | 36 | 35 | M16x2.0 | 32 | 33.5 | 45 | 35 | 35 | 20 | M6x12 |
| DR-08 | 210 | 90 | 170 | 133.35 | 15 | 6xM12 | 5 | 71.3 | 67.7 | 38 | 28 | 15 | 5 | 36 | 40 | M20x2.5 | 37 | 42 | 56 | 46 | 45 | 25 | M8x16 |