
|
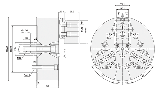
型式 規格 |
柱塞行程 (mm) |
爪行程直徑 (mm) |
最大容許拉力 kN(kgf) |
最大夾持力 kN(kgf) |
最大使用油壓力 MPa(kgf/cm2) |
最高轉速 (r.p.m.) |
重量 (kg) |
慣性矩 I (kg‧m2) |
適合 油壓缸 |
適合 生爪 |
夾持範圍 外徑範圍 / 內徑範圍 |
| BL-12 | 17.5 | 12.4 | 40.7(4152) | 122(12440) | 2.8(28.5) | 2800 | 65 | 0.18 | MS150C | BL12-0HC | Ø63-Ø240 / Ø127-Ø305 |