
|
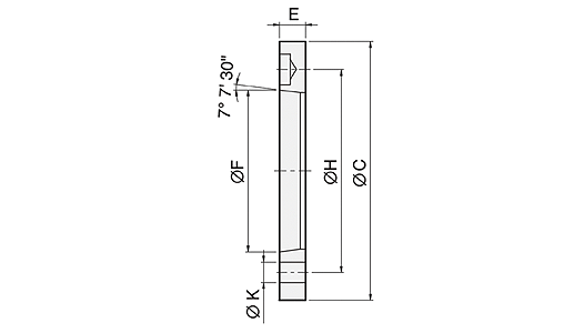
型式 尺寸 |
主軸鼻端 | C | F | H | K | E | 適合夾頭 |
| N0205-0J4 | A4 | 110 | 63.513 | 82.55 | 3-11 | 15 | N-205 |
| N0205-0J42 | A4 | 110 | 63.513 | 82.55 | 4-11 | 15 | NT-205 |
| N0206-0J5 | A5 | 140 | 82.563 | 104.78 | 6-11 | 15 | N-206, NB-306, V-206 |
| N0206-0J52 | A5 | 140 | 82.563 | 104.78 | 6-11 | 15 | NT-206, VT-206 |
| N0206-0J54 | A5 | 140 | 82.563 | 104.78 | 4-11 | 15 | NIT-206 |
| N0208-0J6 | A6 | 170 | 106.375 | 133.35 | 6-13 | 17 | N-208, NB-208, V-208 |
| N0208-0J62 | A6 | 170 | 106.375 | 133.35 | 6-13 | 17 | NT-208, VT-208 |
| N0208-0J64 | A6 | 170 | 106.375 | 133.35 | 4-13 | 17 | NIT-208 |
| NHT0208-0J6 | A6 | 170 | 106.375 | 133.35 | 6-13 | 17 | NHT-208 |
| N0210-0J8 | A8 | 220 | 139.719 | 171.45 | 6-17 | 18 | N-210, N-212, NB-210, V-210, V-212 |
| N0210-0J82 | A8 | 220 | 139.719 | 171.45 | 6-17 | 18 | NT-210, NT-212, VT-210, VT-212 |
| N0210-0J84 | A8 | 220 | 139.719 | 171.45 | 4-17 | 18 | NIT-210, NIT-212, VIT-212 |
| N0215-0J11 | A11 | 300 | 196.869 | 235 | 6-21 | 22 | N-215, N-218, NB-212, V-215, V-218 |
| N0215-0J112 | A11 | 300 | 196.869 | 235 | 6-21 | 22 | NT-215, VT-215 |
| N0215-0J114 | A11 | 300 | 196.869 | 235 | 4-21 | 22 | NIT-215, VIT-218 |
| V0224-0J15 | A15 | 380 | 285.775 | 330.2 | 6-25 | 27 | N-220, V-221, V-224, V-232, NB-215, NB-218 |
| V0224-0J154 | A15 | 380 | 285.775 | 330.2 | 8-25 | 27 | VIT-224, VIT-232 |
| N0224-0J20 | A20 | 520 | 412.775 | 463.6 | 6-25 | 25 | N-224, N-232, V-240, V-250 |