
|
型式 規格 |
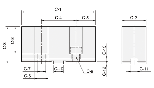
C-1 | C-2 | C-3 | C-4 | C-5 | C-6 | C-7 | C-8 | C-9 | C-10 | C-11 | C-12 | C-13 | 適合夾頭 |
三爪重量 (kg) |
| SKC04 | 52 | 19 | 30 | 24 | 14 | 11 | 7 | 21 | M6 | 9.53 | 7.94 | 2.5 | 3 | SK-4 | 0.45 |
| SKC06 | 73 | 26 | 37 | 38 | 17.5 | 14 | 8.5 | 27 | M8 | 12.68 | 7.94 | 3 | 3.5 | SK-6, KD-6" | 1.5 |
| SKC07 | 95 | 31 | 48 | 44.5 | 25.25 | 17 | 11 | 35 | M10 | 12.68 | 7.94 | 3 | 3.5 | SK-7, SK-8, KD-8", KA-8" | 2.7 |
| SKC09 | 110 | 37 | 48 | 54 | 28 | 19 | 13 | 34 | M12 | 19.03 | 12.7 | 3 | 3.5 | SK-9, SK-10, KD-10", KA-10" | 3.7 |
| SKC12 | 125 | 40 | 54 | 63.5 | 30.75 | 19 | 13 | 40.5 | M12 | 19.03 | 12.7 | 3 | 3.5 | SK-12, KD-12", KA-12" | 4.9 |
| SKC16 | 160 | 50 | 70 | 76.2 | 41.9 | 25 | 17 | 48 | M16 | 19.03 | 12.7 | 6 | 3.5 | SK-16 | 11 |
| HE2486 | 155 | 59 | 86 | 76.2 | 52.9 | 32 | 22 | 66 | M20 | 19.03 | 12.7 | 6 | 4 | HB4-2P | 19.2(4PC) |