卡盘商城欢迎您!
微信公众号
扫一扫关注
收藏本站
帮助中心
网站首页
台湾卡盘
韩国卡盘
日本卡盘
德国卡盘
国产卡盘
卡盘资讯
联系我们
卡盘油缸一站式供应
℃
收藏
分享
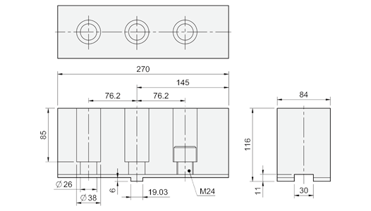
台湾亿川autostrong大型中实油压夹头生爪HC40-1
品牌:
台湾亿川
动力:
大型中实油压夹头生爪HC40-1
爪数:
型号:
HC40-1
产品介绍
图纸下载
台湾亿川型号:HC40-1