
|
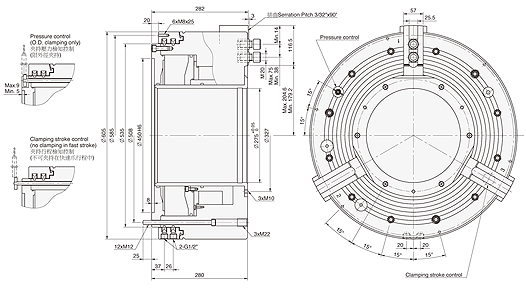
型式 規格 |
通孔直徑 (mm) |
總爪行程 (mm) |
快速爪行程 (mm) |
夾持爪行程 (mm) |
活塞面積 (cm2) |
使用壓力 Min.-Max.(bar) |
夾持力* (KN.) |
最高轉速 (r.p.m.) |
重量 (kg) |
慣性矩 I (kg‧m2 ) |
空氣消耗量* (L) |
| 600-275 | 275 | 25.4 | 16.9 | 8.5 | 954 | 2-10 | 180 | 1100 | 360 | 20.6 | 39.5 |