單位 : mm
|
型式 規格 |
爪數 |
柱塞行程 (mm) |
爪行程直徑 (mm) |
最大容許拉力 (kn) |
最大夾持力 (kn) |
最大使用油壓力 (kgf / cm2) |
最高轉速 (r.p.m.) |
重量 (kg) |
慣性矩 I (kg‧m2) |
適合 油壓缸 |
適合 硬爪 |
適合 生爪 |
外徑挾持範圍 (mm) |
| V-212RA6 | 3 | 30 | 16 | 5302 | 14276 | 35.7 | 3000 | 67.7 | 0.774 | MS150C | HJ12-1 | HC12-1 | Ø26-Ø304 |
| V-212RA8 | 3 | 30 | 16 | 5302 | 14276 | 35.7 | 3000 | 65.6 | 0.764 | MS150C | HJ12-1 | HC12-1 | Ø26-Ø304 |
| V-212RA11 | 3 | 30 | 16 | 5302 | 14276 | 35.7 | 3000 | 74.1 | 0.902 | MS150C | HJ12-1 | HC12-1 | Ø26-Ø304 |
| V-215RA8 | 3 | 35 | 18.7 | 9585 | 25798 | 35.7 | 2800 | 120.4 | 2.146 | MS200C | HJ15-1 | HC15-1 | Ø68-Ø381 |
| V-215RA11 | 3 | 35 | 18.7 | 9585 | 25798 | 35.7 | 2800 | 113.4 | 2.016 | MS200C | HJ15-1 | HC15-1 | Ø68-Ø381 |
| V-215RA15 | 3 | 35 | 18.7 | 9585 | 25798 | 35.7 | 2800 | 133 | 2.572 | MS200C | HJ15-1 | HC15-1 | Ø68-Ø381 |
| V-218RA8 | 3 | 35 | 18.7 | 9585 | 25798 | 35.7 | 2300 | 144.5 | 3.507 | MS200C | HJ15-1 | HC15-1 | Ø116-Ø450 |
| V-218RA11 | 3 | 35 | 18.7 | 9585 | 25798 | 35.7 | 2300 | 137.5 | 3.43 | MS200C | HJ15-1 | HC15-1 | Ø116-Ø450 |
| V-218RA15 | 3 | 35 | 18.7 | 9585 | 25798 | 35.7 | 2300 | 157.5 | 3.945 | MS200C | HJ15-1 | HC15-1 | Ø116-Ø450 |
| V-221RA8 | 3 | 35 | 16 | 9075 | 28450 | 33.7 | 1940 | 198 | 6.46 | MS200C | HJ24-1 | HC24-1 | Ø65-Ø530 |
| V-221RA11 | 3 | 35 | 16 | 9075 | 28450 | 33.7 | 1940 | 190 | 6.35 | MS200C | HJ24-1 | HC24-1 | Ø65-Ø530 |
| V-221RA15 | 3 | 35 | 16 | 9075 | 28450 | 33.7 | 1940 | 184 | 6.28 | MS200C | HJ24-1 | HC24-1 | Ø65-Ø530 |
| V-224RA8 | 3 | 35 | 16 | 7075 | 28450 | 33.7 | 1760 | 240 | 10.54 | MS200C | HJ24-1 | HC24-1 | Ø152-Ø610 |
| V-224RA11 | 3 | 35 | 16 | 9075 | 28450 | 33.7 | 1760 | 233 | 10.44 | MS200C | HJ24-1 | HC24-1 | Ø152-Ø610 |
| V-224RA15 | 3 | 35 | 16 | 9075 | 28450 | 33.7 | 1760 | 227 | 10.38 | MS200C | HJ24-1 | HC32-1 | Ø152-Ø610 |
| V-232RA11 | 3 | 35 | 18.7 | 9585 | 25798 | 35.7 | 1060 | 390 | 30.9 | MS200C | HJ24-1 | HC32-1 | Ø100-Ø810 |
| V-232RA15 | 3 | 35 | 18.7 | 9585 | 25798 | 35.7 | 1060 | 383 | 30.82 | MS200C | HJ24-1 | HC32-1 | Ø100-Ø810 |
| V-232RA20 | 3 | 35 | 18.7 | 9585 | 25798 | 35.7 | 1060 | 419 | 32.69 | MS200C | HJ24-1 | HC32-1 | Ø100-Ø810 |
| VIT-212RA8 | 4 | 30 | 16 | 5506 | 13664 | 35.7 | 2500 | 68 | 0.792 | MS150C | HJ12-1 | HC12-1 | Ø26-Ø304 |
| VIT-218RA11 | 4 | 35 | 18.7 | 9687 | 25391 | 33.6 | 2000 | 140.2 | 3.505 | MS200C | HJ15-1 | HC15-1 | Ø116-Ø450 |
| VIT-224RA11 | 4 | 35 | 18.7 | 9075 | 28450 | 33.7 | 1520 | 255 | 11.3 | MS200C | HJ24-1 | HC24-1 | Ø152-Ø610 |
| VIT-224RA15 | 4 | 35 | 18.7 | 8362 | 24838 | 32.6 | 1520 | 244 | 7.812 | MS200C | HJ24-1 | HC24-1 | Ø152-Ø610 |
| VIT-232RA11 | 4 | 35 | 18.7 | 9585 | 25798 | 35.7 | 920 | 414 | 32.68 | MS200C | HJ24-1 | HC32-1 | Ø100-Ø810 |
| VIT-232RA15 | 4 | 35 | 18.7 | 8362 | 21924 | 32.6 | 920 | 416 | 31.2 | MS200C | HJ24-1 | HC32-1 | Ø100-Ø810 |
|
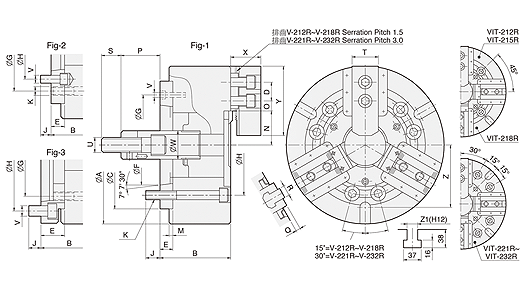
型式 尺寸 |
A | B |
C (H6) |
D | E | F | G | H | J | K | M |
N max. |
O max. |
O min. |
P max. |
P min. |
Q | R | S | T | U | V | W | X | Y | Z | Z1 | 參考圖 |
| V-212RA6 | 304 | 125 | 220 | 30 | 25 | 106.375 | 171.45 | 133.35 | 18 | 6-M16 | 6 | 61 | 48.75 | 12.75 | 138 | 108 | 5.5 | 18 | 36 | 50 | M20x2.5 | 6-M12 | 50 | 54.5 | 130 | — | — | Fig2 |
| V-212RA8 | 304 | 118 | 220 | 30 | 18 | 139.719 | 190 | 171.45 | 25 | 6-M16 | 6 | 61 | 48.75 | 12.75 | 145 | 115 | 5.5 | 18 | 36 | 50 | M20x2.5 | 3-M8 | 50 | 54.5 | 130 | — | — | Fig1 |
| V-212RA11 | 304 | 150 | 220 | 30 | 50 | 196.869 | 171.45 | 235 | 28 | 6-M16 | 6 | 61 | 48.75 | 12.75 | 113 | 83 | 5.5 | 18 | 36 | 50 | M20x2.5 | 6-M20 | 50 | 54.5 | 130 | — | — | Fig3 |
| V-215RA8 | 381 | 141 | 300 | 43 | 33 | 139.719 | 235 | 171.45 | 24 | 6-M20 | 6 | 78 | 49.75 | 24.25 | 71 | 36 | 5.5 | 25.5 | 55 | 62 | M30x3.5 | 6-M16 | 60 | 66.5 | 165 | — | — | Fig2 |
| V-215RA11 | 381 | 130 | 300 | 43 | 22 | 196.869 | 260 | 235 | 32 | 6-M20 | 6 | 78 | 49.75 | 24.25 | 82 | 47 | 5.5 | 25.5 | 55 | 62 | M30x3.5 | 3-M10 | 60 | 66.5 | 165 | — | — | Fig1 |
| V-215RA15 | 381 | 165 | 300 | 43 | 57 | 285.775 | 235 | 330.2 | 29 | 6-M20 | 6 | 78 | 49.75 | 24.25 | 47 | 12 | 5.5 | 25.5 | 55 | 62 | M30x3.5 | 6-M24 | 60 | 66.5 | 165 | — | — | Fig3 |
| V-218RA8 | 450 | 141 | 300 | 43 | 33 | 139.719 | 235 | 171.45 | 24 | 6-M20 | 6 | 92 | 70.75 | 24.25 | 59 | 24 | 5.5 | 25.5 | 55 | 62 | M30x3.5 | 6-M16 | 60 | 66.5 | 165 | 158 | 22 | Fig2 |
| V-218RA11 | 450 | 130 | 300 | 43 | 22 | 196.869 | 260 | 235 | 32 | 6-M20 | 6 | 92 | 70.75 | 24.25 | 70 | 35 | 5.5 | 25.5 | 55 | 62 | M30x3.5 | 3-M10 | 60 | 66.5 | 165 | 158 | 22 | Fig1 |
| V-218RA15 | 450 | 165 | 300 | 43 | 57 | 285.775 | 235 | 330.2 | 29 | 6-M20 | 6 | 92 | 70.75 | 24.25 | 35 | 0 | 5.5 | 25.5 | 55 | 62 | M30x3.5 | 6-M24 | 60 | 66.5 | 165 | 158 | 22 | Fig3 |
| V-221RA8 | 530 | 154 | 380 | 60 | 33 | 139.719 | 330.2 | 171.45 | 24 | 6-M24 | 6 | 87 | 93.5 | 27.5 | 64 | 29 | 9 | 25 | 55 | 64 | M30x3.5 | 9-M16 | 60 | 77 | 180 | 155 | 22 | Fig2 |
| V-221RA11 | 530 | 148 | 380 | 60 | 27 | 196.869 | 330.2 | 235 | 30 | 6-M24 | 6 | 87 | 93.5 | 27.5 | 70 | 35 | 9 | 25 | 55 | 64 | M30x3.5 | 6-M20 | 60 | 77 | 180 | 155 | 22 | Fig2 |
| V-221RA15 | 530 | 148 | 380 | 60 | 27 | 285.775 | 330.2 | 330.2 | 33 | 6-M24 | 6 | 87 | 93.5 | 27.5 | 70 | 35 | 9 | 25 | 55 | 64 | M30x3.5 | 3-M12 | 60 | 77 | 180 | 155 | 22 | Fig1 |
| V-224RA8 | 610 | 154 | 380 | 60 | 33 | 139.719 | 330.2 | 171.45 | 24 | 6-M24 | 6 | 126.5 | 93.5 | 27.5 | 64 | 29 | 9 | 25 | 55 | 64 | M30x3.5 | 9-M16 | 60 | 77 | 180 | 165.1 | 22 | Fig2 |
| V-224RA11 | 610 | 148 | 380 | 60 | 27 | 196.869 | 330.2 | 235 | 30 | 6-M24 | 6 | 126.5 | 93.5 | 27.5 | 70 | 35 | 9 | 25 | 55 | 64 | M30x3.5 | 6-M20 | 60 | 77 | 180 | 165.1 | 22 | Fig2 |
| V-224RA15 | 610 | 148 | 380 | 60 | 27 | 285.775 | 330.2 | 330.2 | 33 | 6-M24 | 6 | 126.5 | 93.5 | 27.5 | 70 | 35 | 9 | 25 | 55 | 64 | M30x3.5 | 3-M12 | 60 | 77 | 180 | 165.1 | 22 | Fig1 |
| V-232RA11 | 810 | 156 | 380 | 80 | 27 | 196.869 | 330.2 | 235 | 30 | 6-M24 | 6 | 104.8 | 196.5 | 25.5 | 47 | 12 | 5 | 25 | 55 | 74 | M30x3.5 | 6-M20 | 60 | 93 | 210 | 165.1 | 22 | Fig2 |
| V-232RA15 | 810 | 156 | 380 | 80 | 27 | 285.775 | 330.2 | 330.2 | 33 | 6-M24 | 6 | 104.8 | 196.5 | 25.5 | 47 | 12 | 5 | 25 | 55 | 74 | M30x3.5 | 3-M12 | 60 | 93 | 210 | 165.1 | 22 | Fig1 |
| V-232RA20 | 810 | 187 | 520 | 80 | 58 | 412.775 | 330.2 | 463.6 | 35 | 6-M24 | 6 | 104.8 | 196.5 | 25.5 | 16 | -19 | 5 | 25 | 55 | 74 | M30x3.5 | 6-M24 | 60 | 93 | 210 | 165.1 | 22 | Fig3 |
| VIT-212RA8 | 304 | 118 | 220 | 30 | 18 | 139.719 | 190 | 171.45 | 25 | 4-M16 | 6 | 61 | 48.75 | 12.75 | 145 | 115 | 5.5 | 18 | 36 | 50 | M20x2.5 | 4-M8 | 50 | 54.5 | 130 | — | — | Fig1 |
| VIT-218RA11 | 450 | 130 | 300 | 43 | 22 | 196.869 | 260 | 235 | 32 | 4-M20 | 6 | 92 | 70.75 | 24.25 | 70 | 35 | 5.5 | 25.5 | 55 | 62 | M30x3.5 | 4-M10 | 60 | 66.5 | 165 | 158 | 22 | Fig1 |
| VIT-224RA11 | 610 | 162 | 380 | 60 | 41 | 196.869 | 330.2 | 235 | 30 | 8-M24 | 6 | 126.5 | 93.5 | 27.5 | 70 | 35 | 9 | 25 | 56 | 64 | M30x3.5 | 6-M20 | 60 | 77 | 180 | 165.1 | 22 | Fig2 |
| VIT-224RA15 | 610 | 148 | 380 | 60 | 27 | 285.775 | 330.2 | 330.2 | 33 | 8-M24 | 6 | 126.5 | 93.5 | 27.5 | 70 | 35 | 9 | 25 | 55 | 64 | M30x3.5 | 4-M12 | 60 | 77 | 180 | 165.1 | 22 | Fig1 |
| VIT-232RA11 | 810 | 170 | 380 | 80 | 41 | 196.869 | 330.2 | 235 | 30 | 8-M24 | 6 | 104.8 | 196.5 | 25.5 | 47 | 12 | 5 | 25 | 56 | 74 | M30x3.5 | 6-M20 | 60 | 93 | 210 | 200 | 22 | Fig2 |
| VIT-232RA15 | 810 | 156 | 380 | 80 | 27 | 285.775 | 330.2 | 330.2 | 33 | 8-M24 | 6 | 104.8 | 196.5 | 25.5 | 47 | 12 | 5 | 25 | 55 | 74 | M30x3.5 | 4-M12 | 60 | 93 | 210 | 200 | 22 | Fig1 |





