
|
型式 規格 |
活塞直徑 (mm) |
活塞面積 (cm2 ) 推側 / 拉側 |
最大拉桿出力 (kgf) 推側 / 拉側 |
活塞行程 (mm) |
最大使用油壓力 (kgf / cm2) |
重量 (kg) |
適合夾頭 |
| DV-6 | Ø115 | 104 / 78.5 | 1900 / 1400 | 20 | 20 | 12 | V-206 |
| DV-8 | Ø155 | 187 / 148.6 | 3600 / 2800 | 21 | 20 | 21 | V-208, V-210, V-212 |
| DN-8 | Ø155 | 148.6 / 148.6 | 2800 / 2800 | 17 | 20 | 28.5 | N-208 |
|
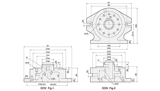
型式 尺寸 |
A1 | A2 | A3 | A4 | A5 | A6 | B1 | B2 | B3 | H | K | L1 | L2 |
P max. |
P min. |
S1 | S2 | S3 | U | 參考圖 |
| DV-6 | Ø220 | 168 | 140 | 55 | Ø220 | 49 | 16 | 65.5 | 5.5 | 104.78 | 12-M10x16L | 38 | 45 | 18 | -2 | PT 1/4" | 7.6 | 2-Ø15 | M16xP2.0 | Fig-1 |
| DV-8 | Ø290 | 210 | 170 | 70 | 242 | 58 | 24 | 86 | 5.5 | 133.35 | 12-M12x18L | 23 | 65 | 20 | -1 | PT 1/4" | 5.5 | 2-16 | M16xP2.0 | Fig-1 |
| DN-8 | Ø293 | 213 | 170 | 70 | 242 | 52 | 24 | 100 | 5.5 | 133.35 | 12-M12x18L | 32.5 | 74.5 | 30.4 | 13.4 | PT 1/4" | 16 | 4-17 | M60xP2.0 | Fig-2 |