
|
型式 規格 |
柱塞行程 (mm) |
爪行程直徑 (mm) |
最大容許拉力 (kn) |
最大夾持力 (kn) |
最大使用油壓力 (kgf / cm2) |
最高轉速 (r.p.m.) |
重量 (kg) |
慣性矩 I (kg‧m2) |
適合 油壓缸 |
適合 硬爪 |
適合 生爪 |
外徑挾持範圍 (mm) |
| V-206A5 | 20 | 9.2 | 1835 | 5353 | 26.5 | 5200 | 13.2 | 0.05 | MS105C | HJ06 | HC06 | Ø18-Ø165 |
| V-206A6 | 20 | 9.2 | 1835 | 5353 | 26.5 | 5200 | 15.8 | 0.059 | MS105C | HJ06 | HC06 | Ø18-Ø165 |
| V-208A5 | 21 | 9.7 | 2549 | 7648 | 25.5 | 4500 | 25.8 | 0.154 | MS125C | HJ08 | HC08 | Ø26-Ø210 |
| V-208A6 | 21 | 9.7 | 2549 | 7648 | 25.5 | 4500 | 25 | 0.149 | MS125C | HJ08 | HC08 | Ø26-Ø210 |
| V-208A8 | 21 | 9.7 | 2549 | 7648 | 25.5 | 4500 | 19.3 | 0.175 | MS125C | HJ08 | HC08 | Ø26-Ø210 |
| V-210A6 | 25 | 8.8 | 2957 | 11013 | 28.6 | 4000 | 40.5 | 0.35 | MS125C | HJ10 | HC10 | Ø26-Ø254 |
| V-210A8 | 25 | 8.8 | 2957 | 11013 | 28.6 | 4000 | 37.5 | 0.33 | MS125C | HJ10 | HC10 | Ø26-Ø254 |
| V-210A11 | 25 | 8.8 | 2957 | 11013 | 28.6 | 4000 | 47.9 | 0.417 | MS125C | HJ10 | HC10 | Ø26-Ø254 |
| V-212A6 | 30 | 10.5 | 4181 | 15907 | 27.5 | 3300 | 66.5 | 0.76 | MS150C | HJ12-1 | HC12-1 | Ø26-Ø304 |
| V-212A8 | 30 | 10.5 | 4181 | 15907 | 27.5 | 3300 | 64.4 | 0.75 | MS150C | HJ12-1 | HC12-1 | Ø26-Ø304 |
| V-212A11 | 30 | 10.5 | 4181 | 15907 | 27.5 | 3300 | 72.9 | 0.888 | MS150C | HJ12-1 | HC12-1 | Ø26-Ø304 |
| V-215A8 | 35 | 16 | 8362 | 25391 | 32.6 | 3000 | 115 | 2.05 | MS200C | HJ15-1 | HC15-1 | Ø68-Ø381 |
| V-215A11 | 35 | 16 | 8362 | 25391 | 32.6 | 3000 | 108 | 1.92 | MS200C | HJ15-1 | HC15-1 | Ø68-Ø381 |
| V-215A15 | 35 | 16 | 8362 | 25391 | 32.6 | 3000 | 128 | 2.281 | MS200C | HJ15-1 | HC15-1 | Ø68-Ø381 |
| V-218A8 | 35 | 16 | 8362 | 25391 | 32.6 | 2700 | 134 | 3.35 | MS200C | HJ15-1 | HC15-1 | Ø130-Ø450 |
| V-218A11 | 35 | 16 | 8362 | 25391 | 32.6 | 2700 | 122 | 3.05 | MS200C | HJ15-1 | HC15-1 | Ø130-Ø450 |
| V-218A15 | 35 | 16 | 8362 | 25391 | 32.6 | 2700 | 143 | 3.575 | MS200C | HJ15-1 | HC15-1 | Ø130-Ø450 |
|
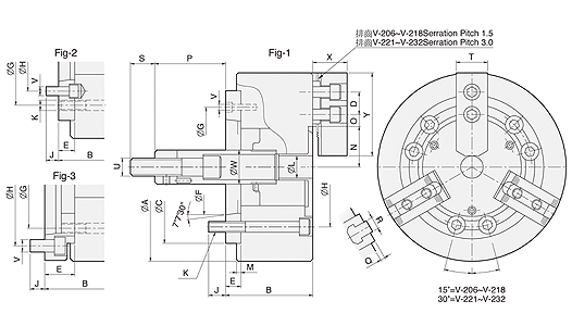
型式 尺寸 |
A | B |
C (H6) |
D | E | F | G | H | J | K | L | M |
N max. |
O max. |
O min. |
P max. |
P min. |
Q | R | S | T |
U max. |
V | W | X | Y | 參考圖 |
| V-206A5 | 165 | 84 | 140 | 20 | 15 | 82.563 | 116 | 104.78 | 14 | 6-M10 | 21 | 5 | 38.7 | 14.75 | 7.25 | 89.6 | 69.6 | 4 | 12 | 36 | 31 | M16x2.0 | 3-M6 | 34 | 39 | 73 | Fig1 |
| V-206A6 | 165 | 104 | 140 | 20 | 35 | 106.375 | 104.78 | 133.35 | 16 | 6-M10 | 21 | 5 | 38.7 | 14.75 | 7.25 | 69.6 | 49.6 | 4 | 12 | 36 | 31 | M16x2.0 | 6-M12 | 34 | 39 | 73 | Fig3 |
| V-208A5 | 210 | 103 | 170 | 25 | 23 | 82.563 | 133.35 | 104.78 | 13 | 6-M12 | 25 | 5 | 46.85 | 22.25 | 10.25 | 109 | 88 | 5 | 14 | 36 | 35 | M20x2.5 | 3-M6 | 38 | 41 | 95 | Fig2 |
| V-208A6 | 210 | 97 | 170 | 25 | 17 | 106.375 | 150 | 133.35 | 18 | 6-M12 | 25 | 5 | 46.85 | 22.25 | 10.25 | 115 | 94 | 5 | 14 | 36 | 35 | M20x2.5 | 6-M16 | 38 | 41 | 95 | Fig1 |
| V-208A8 | 210 | 120 | 170 | 25 | 40 | 139.719 | 133.35 | 171.45 | 24 | 6-M12 | 25 | 5 | 46.85 | 22.25 | 10.25 | 92 | 71 | 5 | 14 | 36 | 35 | M20x2.5 | 6-M12 | 38 | 41 | 95 | Fig3 |
| V-210A6 | 254 | 109 | 220 | 30 | 25 | 106.375 | 171.45 | 133.35 | 18 | 6-M16 | 34 | 5 | 51.1 | 30.75 | 11.25 | 133 | 108 | 5 | 16 | 36 | 40 | M20x2.5 | 6-M12 | 45 | 46 | 110 | Fig2 |
| V-210A8 | 254 | 102 | 220 | 30 | 18 | 139.719 | 190 | 171.45 | 25 | 6-M16 | 34 | 5 | 51.1 | 30.75 | 11.25 | 140 | 115 | 5 | 16 | 36 | 40 | M20x2.5 | 3-M8 | 45 | 46 | 110 | Fig1 |
| V-210A11 | 254 | 134 | 220 | 30 | 50 | 196.869 | 171.45 | 235 | 28 | 6-M16 | 34 | 5 | 51.1 | 30.75 | 11.25 | 108 | 83 | 5 | 16 | 36 | 40 | M20x2.5 | 6-M20 | 45 | 46 | 110 | Fig3 |
| V-212A6 | 304 | 125 | 220 | 30 | 25 | 106.375 | 171.45 | 133.35 | 18 | 6-M16 | 34 | 6 | 61 | 48.75 | 12.75 | 138 | 108 | 5 | 18 | 36 | 50 | M20x2.5 | 6-M12 | 50 | 54 | 130 | Fig2 |
| V-212A8 | 304 | 118 | 220 | 30 | 18 | 139.719 | 190 | 171.45 | 25 | 6-M16 | 34 | 6 | 61 | 48.75 | 12.75 | 145 | 115 | 5 | 18 | 36 | 50 | M20x2.5 | 3-M8 | 50 | 54 | 130 | Fig1 |
| V-212A11 | 304 | 150 | 220 | 30 | 50 | 196.869 | 171.45 | 235 | 28 | 6-M16 | 34 | 6 | 61 | 48.75 | 12.75 | 113 | 83 | 5 | 18 | 55 | 50 | M20x2.5 | 6-M20 | 50 | 54 | 130 | Fig3 |
| V-215A8 | 381 | 141 | 300 | 430 | 33 | 139.719 | 235 | 171.45 | 24 | 6-M20 | – | 6 | 77.5 | 50.25 | 23.25 | 71 | 36 | 2 | 25.5 | 55 | 62 | M30x3.5 | 6-M16 | 60 | 63 | 165 | Fig2 |
| V-215A11 | 381 | 130 | 300 | 43 | 22 | 196.869 | 260 | 235 | 32 | 6-M20 | – | 6 | 77.5 | 50.25 | 23.25 | 82 | 47 | 2 | 25.5 | 55 | 62 | M30x3.5 | 3-M10 | 60 | 63 | 165 | Fig1 |
| V-215A15 | 381 | 165 | 300 | 43 | 57 | 285.775 | 235 | 330.2 | 24 | 6-M20 | – | 6 | 77.5 | 50.25 | 23.25 | 47 | 12 | 2 | 25.5 | 55 | 62 | M30x3.5 | 6-M24 | 60 | 63 | 165 | Fig3 |
| V-218A8 | 450 | 141 | 300 | 43 | 33 | 139.719 | 235 | 171.45 | 24 | 6-M20 | – | 6 | 108 | 50.25 | 23.25 | 59 | 25 | 2 | 25.5 | 55 | 62 | M30x3.5 | 6-M16 | 60 | 63 | 165 | Fig2 |
| V-218A11 | 450 | 130 | 300 | 43 | 22 | 196.869 | 260 | 235 | 32 | 6-M20 | – | 6 | 108 | 50.25 | 23.25 | 70 | 35 | 2 | 25.5 | 55 | 62 | M30x3.5 | 3-M10 | 60 | 63 | 165 | Fig1 |
| V-218A15 | 450 | 165 | 300 | 43 | 57 | 285.775 | 235 | 330.2 | 24 | 6-M20 | – | 6 | 108 | 50.25 | 23.25 | 35 | 0 | 2 | 25.5 | 55 | 62 | M30x3.5 | 6-M24 | 60 | 63 | 165 | Fig3 |