
|
型式 規格 |
通孔直徑 (mm) |
柱塞行程 (mm) |
爪行程直徑 (mm) |
最大容許拉力 (kn) |
最大夾持力 (kn) |
最大使用油壓力 (kgf / cm2) |
最高轉速 (r.p.m.) |
重量 (kg) |
慣性矩 I (kg‧m2) |
適合 油壓缸 |
適合 硬爪 |
適合 生爪 |
外徑挾持範圍 (mm) |
| NT-205 | Ø33 | 10 | 5.4 | 1189 | 2447 | 19.5 | 7000 | 6.8 | 0.017 | M1036 | HJ05 | HC05 | Ø6-Ø135 |
| NT-206 | Ø45 | 12 | 5.5 | 1495 | 3875 | 18.9 | 6000 | 12.8 | 0.054 | M1246 | HJ06 | HC06 | Ø15-Ø169 |
| NT-208 | Ø52 | 16 | 7.4 | 2366 | 5975 | 18.4 | 5000 | 22 | 0.163 | M1552 | HJ08 | HC08 | Ø20-Ø210 |
| NT-210 | Ø75 | 19 | 8.8 | 2927 | 7546 | 18.4 | 4200 | 34 | 0.306 | M1875 | HJ10 | HC10 | Ø25-Ø254 |
| NT-212 | Ø91 | 23 | 10.6 | 3875 | 9993 | 18.4 | 3300 | 55 | 0.717 | M2091 | HJ12 | HC12 | Ø30-Ø304 |
| NT-215 | Ø117.5 | 23 | 10.6 | 4823 | 12236 | 15.3 | 2500 | 106 | 2.17 | M2511 | HJ15 | HC15 | Ø50-Ø381 |
| NT-218 | Ø117.5 | 23 | 10.6 | 4823 | 12236 | 15.3 | 2000 | 122 | 3.31 | M2511 | HJ15 | HC15 | Ø50-Ø450 |
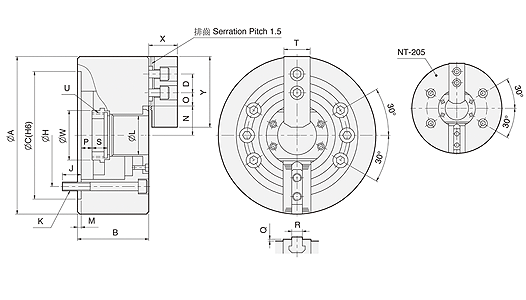
|
型式 尺寸 |
A | B |
C (H6) |
D | H | J | K | L | M |
N max. |
O max. |
O min. |
P max. |
P min. |
Q | R | S | T |
U max. |
W | X | Y |
| NT-205 | 135 | 60 | 110 | 14 | 82.55 | 15 | 4-M10x60 | 33 | 4 | 23.2 | 26.5 | 7.75 | 1 | -9 | 2 | 10 | 20 | 23 | M40x1.5 | 45 | 31 | 54 |
| NT-206 | 169 | 81 | 140 | 20 | 104.78 | 16 | 6-M10x80 | 45 | 5 | 26.5 | 32 | 9.25 | 11 | -1 | 2 | 12 | 19 | 31 | M55x2 | 60 | 37 | 73 |
| NT-208 | 210 | 91 | 170 | 25 | 133.35 | 20 | 6-M12x90 | 52 | 5 | 32 | 38.7 | 11.75 | 14.5 | -1.5 | 2 | 14 | 20.5 | 35 | M60x2 | 66 | 38 | 95 |
| NT-210 | 254 | 100 | 220 | 30 | 171.45 | 22 | 6-M16x100 | 75 | 5 | 38.7 | 51 | 14.25 | 8.5 | -10.5 | 2 | 16 | 25 | 40 | M85x2 | 94 | 43 | 110 |
| NT-212 | 304 | 110 | 220 | 30 | 171.45 | 23 | 6-M16x110 | 91 | 6 | 51 | 61.3 | 15.75 | 8 | -15 | 2 | 21 | 28 | 50 | M100x2 | 108 | 51 | 130 |
| NT-215 | 381 | 133 | 300 | 43 | 235 | 35 | 6-M20x135 | 117.5 | 6 | 61.3 | 82 | 15.25 | 7 | -16 | 5 | 22 | 43 | 62 | M130x2 | 139 | 66 | 165 |
| NT-218 | 450 | 133 | 300 | 43 | 235 | 35 | 6-M20x135 | 117.5 | 6 | 82 | 82 | 15.25 | 7 | -16 | 5 | 22 | 43 | 62 | M130x2 | 139 | 66 | 165 |