
|
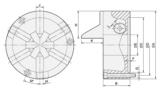
型式 規格 |
A | B | C | D | E | F | G | H | J | K | L | M | N |
把手容許力矩 (kgf‧m) |
挾持力 (kgf) |
最高轉速 (r.p.m.) |
重量 (kg) |
慣性矩 I (kg‧m2 ) |
挾持範圍 |
| 外徑範圍/內徑範圍 | |||||||||||||||||||
| SE-4 | 112 | 66 | 80 | 95 | 32 | 4.8 | 3-M8 | 45 | 14 | 39.7 | 8 | 30 | 6.5 | 1.6 | 440 | 1200 | 4 | - | Ø2-Ø32 |
| SE-6 | 165 | 67 | 130 | 147 | 51 | 5.5 | 3-M8 | 66.5 | 19 | 40.7 | 10 | 23.3 | 6.2 | 2.8 | 660 | 1200 | 9 | 0.03 | Ø3-Ø51 |
| SE-7 | 192 | 76.5 | 155 | 172 | 80 | 5.5 | 3-M10 | 77 | 21.5 | 61.5 | 11 | 24 | 5.3 | 3.6 | 850 | 1000 | 14 | 0.06 | Ø3-Ø81 |