
|
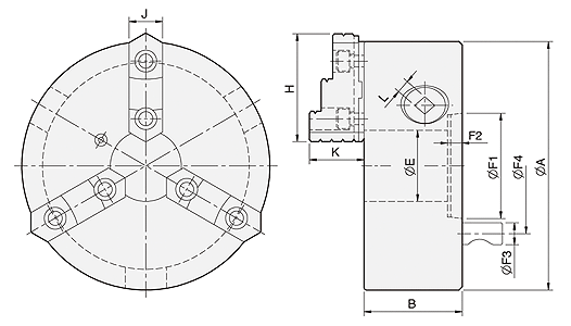
型式 規格 |
主軸 錐度 |
A | B | E | H | J | K | L | 裝配尺寸 |
把手容許力矩 (kgf‧m) |
挾持力 (kgf) |
最高轉速 (r.p.m.) |
重量 (kg) |
慣性矩 I (kg‧m2) |
挾持範圍 |
| F1 / F2 / F3 / F4 | 外徑範圍/內徑範圍 | ||||||||||||||
| KD4-6" | D1-4 | 165 | 72 | 46 | 72 | 26 | 39 | 9.0 | 63.513 / 13 / 15.8 / 82.55 | 9.0 | 2200 | 2000 | 11 | 0.04 | Ø8-Ø160 / Ø55-Ø150 |
| KD4-8" | D1-4 | 200 | 77.2 | 53 | 82 | 28 | 42.2 | 11.5 | 63.513 / 13 / 15.8 / 82.55 | 11.5 | 2500 | 2000 | 18.5 | 0.07 | Ø8-Ø180 / Ø62-Ø170 |
| KD5-8" | D1-5 | 200 | 77.2 | 55 | 82 | 28 | 42.2 | 11.5 | 82.563 / 16 / 19 / 104.78 | 11.5 | 2500 | 2000 | 18 | 0.07 | Ø8-Ø180 / Ø62-Ø170 |
| KD6-8" | D1-6 | 200 | 77.2 | 58 | 82 | 28 | 42.2 | 11.5 | 106.375 / 17 / 22.2 / 133.35 | 11.5 | 2500 | 2000 | 17 | 0.07 | Ø8-Ø180 / Ø62-Ø170 |
| KD6-10" | D1-6 | 250 | 86 | 76 | 90.9 | 32 | 50.8 | 19.5 | 106.375 / 17 / 22.2 / 133.35 | 19.5 | 4000 | 1800 | 29.5 | 0.2 | Ø11-Ø220 / Ø70-Ø210 |
| KD6-12" | D1-6 | 306 | 107.5 | 103 | 114.5 | 40 | 57.8 | 21.0 | 106.375 / 13.5 / 22.2 / 133.35 | 21.0 | 4200 | 1800 | 47 | 0.5 | Ø15-Ø300 / Ø90-Ø290 |
| KD8-10" | D1-8 | 250 | 86 | 80 | 90.9 | 32 | 50.8 | 19.5 | 139.719 / 19 / 25.4 / 171.45 | 19.5 | 4000 | 1800 | 27 | 0.2 | Ø11-Ø220 / Ø70-Ø210 |
| KD8-12" | D1-8 | 306 | 107.5 | 103 | 114.5 | 40 | 57.8 | 21.0 | 139.719 / 18 / 25.4 / 171.45 | 21.0 | 4200 | 1800 | 47 | 0.5 | Ø15-Ø300 / Ø90-Ø290 |