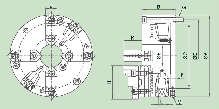
| 型式 / 規格 | A | B | C | D | E | F | G | H | J | K | L | M |
最高迴轉數 r.p.m (min-1) |
把握範圍 | |
| 外徑把握 | 內徑把握 | ||||||||||||||
| 4DAKT-08 | 200 | 82.5 | 160 | 176 | 55 | 12 | 3-M10×1.5P | 82 | 28 | 43 | 11 | 4-M12×1.75P | 3500 | Ø8-Ø205 | Ø59-Ø190 |
| 4DAKT-10 | 250 | 91 | 200 | 224 | 76 | 13 | 3-M12×1.75P | 102 | 35 | 54.5 | 12 | 4-M12×1.75P | 2600 | Ø12-Ø265 | Ø78-Ø249 |
| 4DAKT-12 | 315 | 103 | 260 | 286 | 103 | 14 | 3-M16×2P | 117.5 | 40 | 56.5 | 14 | 4-M12×1.75P | 2200 | Ø15-Ø323 | Ø86-Ø296 |
| 4DAKT-15 | 400 | 122 | 330 | 362 | 136 | 15 | 3-M16×2P | 150 | 50 | 74.5 | 17 | 4-M12×1.75P | 1600 | Ø30-Ø419 | Ø124-Ø396 |
