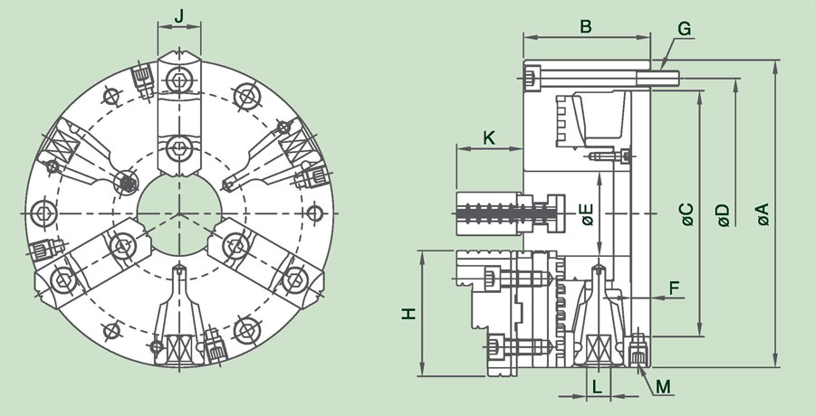
| 型式 / 規格 | A | B | C | D | E | F | G | H | J | K | L | M |
最高迴轉數 r.p.m (min-1) |
把握範圍 | |
| 外徑把握 | 內徑把握 | ||||||||||||||
| 3DAKT-05 | 125 | 65 | 95 | 108 | 32 | 10.5 | 3-M8×1.25P | 57 | 24 | 36 | 8 | 4-M10×1.5P | 4800 | Ø3-Ø121 | Ø44-Ø120 |
| 3DAKT-06 | 160 | 72.5 | 125 | 140 | 42 | 12 | 3-M10×1.5P | 68 | 26 | 38.5 | 10 | 4-M12×1.75P | 4200 | Ø8-Ø169 | Ø50-Ø158 |
| 3DAKT-08 | 200 | 82.5 | 160 | 176 | 55 | 12 | 3-M10×1.5P | 82 | 28 | 43 | 11 | 4-M12×1.75P | 3500 | Ø8-Ø206 | Ø58-Ø191 |
| 3DAKT-10 | 250 | 91 | 200 | 224 | 76 | 13 | 3-M12×1.75P | 102 | 35 | 54.5 | 12 | 4-M12×1.75P | 2600 | Ø12-Ø266 | Ø77-Ø250 |
| 3DAKT-12 | 315 | 103 | 260 | 286 | 103 | 14 | 3-M16×2P | 117.5 | 40 | 56.5 | 14 | 4-M12×1.75P | 2200 | Ø15-Ø340 | Ø85-Ø313 |
| 3DAKT-15 | 400 | 122 | 330 | 362 | 136 | 15 | 3-M16×2P | 150 | 50 | 74.5 | 17 | 4-M12×1.75P | 1600 | Ø30-Ø440 | Ø123-Ø416 |
