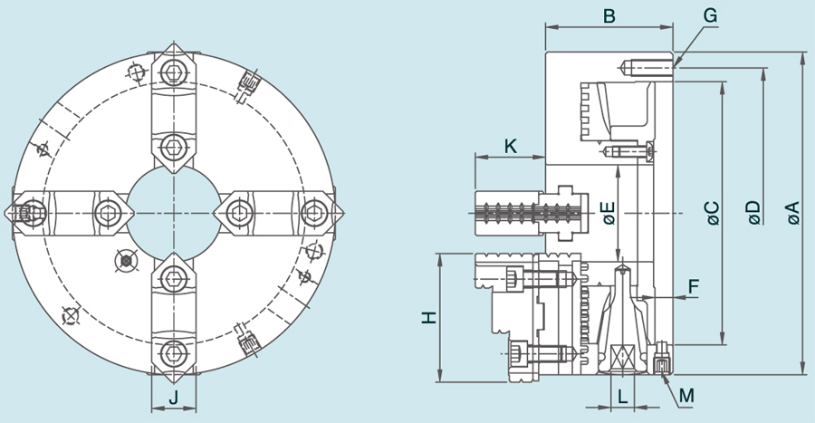
| 型式 / 規格 | A | B | C | D | E | F | G | H | J | K | L |
| FKT-07 | 193 | 85 | 155 | 172 | 58 | 12 | 3-M10×1.5P | 82 | 28 | 43 | 11 |
| FKT-09 | 233 | 92 | 190 | 210 | 70 | 12.5 | 3-M12×1.75P | 93 | 32 | 51 | 12 |
| FKT-10 | 275 | 98 | 230 | 250 | 89 | 12.5 | 3-M12×1.75P | 102 | 35 | 54 | 12 |
| FKT-12 | 310 | 111 | 260 | 285 | 105 | 14 | 3-M12×1.75P | 118 | 40 | 58 | 14 |
| 型式 / 規格 | M |
最高迴轉數 r.p.m(min-1) |
把握範圍 |
淨重 (kg) |
|
| 外徑把握 | 內徑把握 | ||||
| FKT-07 | 3-M12×1.75P | 3500 | Ø8~Ø180 | Ø62~Ø170 | 14.1 |
| FKT-09 | 3-M12×1.75P | 2900 | Ø11~Ø220 | Ø70~Ø210 | 22 |
| FKT-10 | 3-M12×1.75P | 2500 | Ø12~Ø260 | Ø80~Ø250 | 33.5 |
| FKT-12 | 3-M12×1.75P | 2200 | Ø15~Ø300 | Ø90~Ø290 | 46.1 |
