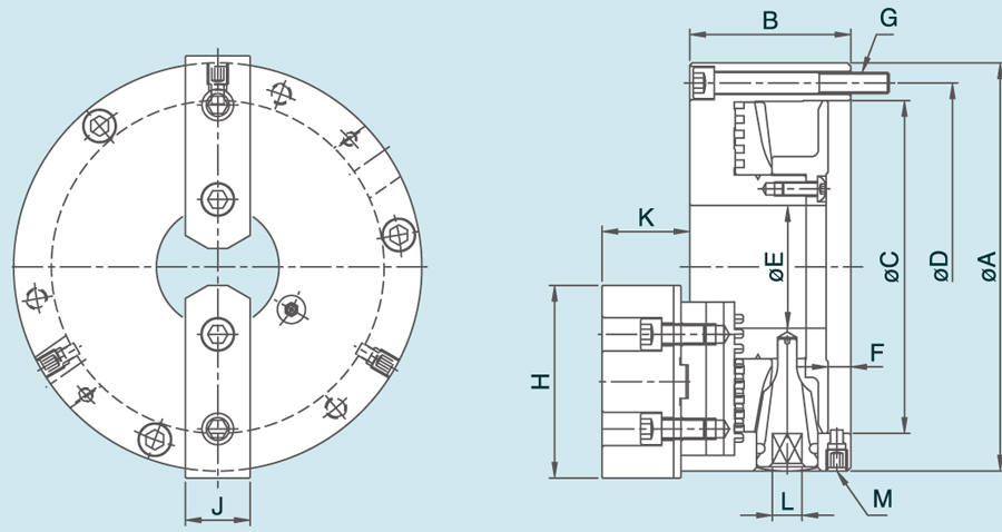
| 型式 / 規格 | A | B | C | D | E | F | G | H | J | K | L |
| TKT-07 | 193 | 85 | 155 | 172 | 58 | 12 | 3-M10×1.5P | 95 | 31 | 49.5 | 11 |
| TKT-09 | 233 | 92 | 190 | 210 | 70 | 12.5 | 3-M12×1.75P | 110 | 37 | 50 | 12 |
| 型式 / 規格 | M |
最高迴轉數 r.p.m(min-1) |
把握範圍 |
淨重 (kg) |
|
| 外徑把握 | 內徑把握 | ||||
| TKT-07 | 3-M12×1.75P | 3500 | Ø10~Ø180 | Ø70~Ø170 | 14.6 |
| TKT-09 | 3-M12×1.75P | 2900 | Ø12~Ø220 | Ø80~Ø210 | 22.4 |
