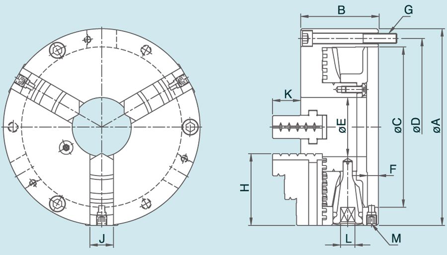
| 型式 / 規格 | A | B | C | D | E | F | G | H | J | K | L |
| CT-06 | 167 | 75.5 | 130 | 147 | 45 | 12 | 3-M10×1.5P | 65 | 22 | 28 | 10 |
| CT-07 | 193 | 85 | 155 | 172 | 58 | 12 | 3-M10×1.5P | 75 | 24 | 28.5 | 11 |
| CT-09 | 233 | 92 | 190 | 210 | 70 | 12.5 | 3-M12×1.75P | 85 | 28 | 33 | 12 |
| CT-10 | 275 | 98 | 230 | 250 | 89 | 12.5 | 3-M12×1.75P | 98 | 30 | 38 | 12 |
| CT-12 | 310 | 111 | 260 | 285 | 105 | 14 | 3-M12×1.75P | 110 | 32 | 45 | 14 |
| 型式 / 規格 | M |
最高迴轉數 r.p.m(min-1) |
把握範圍 |
淨重 (kg) |
|
| 外徑把握 | 內徑把握 | ||||
| CT-06 | 3-M12×1.75P | 4000 | Ø4~Ø160 | Ø48~Ø150 | 10.4 |
| CT-07 | 3-M12×1.75P | 3500 | Ø4~Ø180 | Ø56~Ø170 | 12.9 |
| CT-09 | 3-M12×1.75P | 2900 | Ø5~Ø220 | Ø62~Ø210 | 20.4 |
| CT-10 | 3-M12×1.75P | 2500 | Ø6~Ø260 | Ø70~Ø250 | 29.3 |
| CT-12 | 3-M12×1.75P | 2200 | Ø10~Ø300 | Ø86~Ø290 | 43.7 |