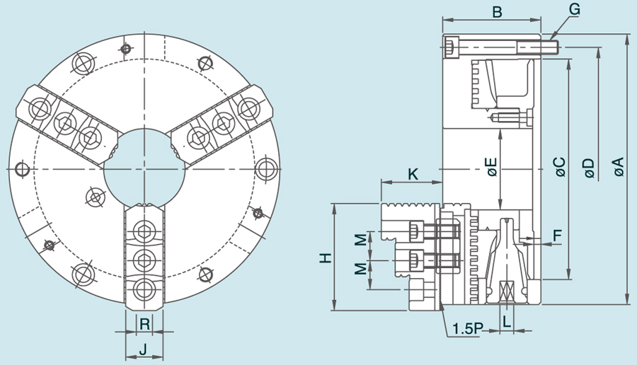
| 型式 / 規格 | A | B | C | D | E | F | G | H | J | K | L |
| NT-07 | 193 | 78 | 155 | 172 | 58 | 5 | 3-M10×1.5P | 78 | 28 | 46 | 11 |
| NT-09 | 233 | 85 | 190 | 210 | 70 | 5.5 | 3-M12×1.75P | 92 | 32 | 52 | 12 |
| NT-10 | 275 | 91 | 230 | 250 | 89 | 5.5 | 3-M12×1.75P | 101.5 | 37 | 56 | 12 |
| NT-12 | 310 | 104 | 260 | 285 | 105 | 7 | 3-M12×1.75P | 116 | 47 | 67 | 14 |
| 型式 / 規格 | M | R |
最高迴轉數 r.p.m(min-1) |
把握範圍 |
淨重 (kg) |
|
| 外徑把握 | 內徑把握 | |||||
| NT-07 | 20 | 12 | 3200 | Ø8~Ø235 | Ø66~Ø235 | 13.1 |
| NT-09 | 25 | 14 | 2800 | Ø11~Ø280 | Ø85~Ø280 | 21.2 |
| NT-10 | 30 | 16 | 2400 | Ø12~Ø330 | Ø92~Ø330 | 30.5 |
| NT-12 | 30 | 21 | 2100 | Ø15~Ø370 | Ø104~Ø370 | 46.1 |
