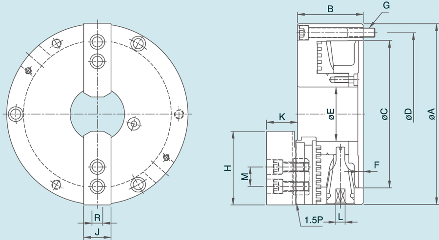
| 型式 / 規格 | A | B | C | D | E | F | G | H | J | K | L |
| TNT-07 | 193 | 78 | 155 | 172 | 58 | 5 | 3-M10×1.5P | 73 | 31 | 38 | 11 |
| TNT-09 | 233 | 85 | 190 | 210 | 70 | 5.5 | 3-M12×1.75P | 95 | 35 | 40 | 12 |
| 型式 / 規格 | M | R |
最高迴轉數 r.p.m(min-1) |
把握範圍 |
淨重 (kg) |
|
| 外徑把握 | 內徑把握 | |||||
| TNT-07 | 20 | 12 | 3200 | Ø8~Ø235 | Ø66~Ø235 | 14.4 |
| TNT-09 | 25 | 14 | 2800 | Ø11Ø280 | Ø85~Ø280 | 22.3 |

