卡盘商城欢迎您!
微信公众号
扫一扫关注
收藏本站
帮助中心
网站首页
台湾卡盘
韩国卡盘
日本卡盘
德国卡盘
国产卡盘
卡盘资讯
联系我们
卡盘油缸一站式供应
℃
收藏
分享
台湾千岛chandox不锈钢超薄型夹盘SE-ST
品牌:
台湾千岛
动力:
手动卡盘
爪数:
三爪卡盘
型号:
SE-04ST
产品介绍
图纸下载
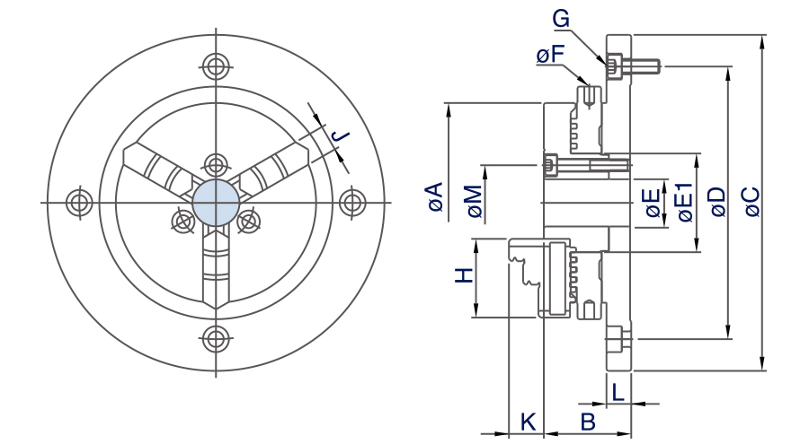
台湾千岛三爪卡盘型号:SE-04ST
規格表
單位 / mm
型式 / 規格
A
B
C
D
E
E1
F
G
H
J
K
L
M
把握範圍
淨重
(kg)
外徑把握
內徑把握
SE-04ST
110
39
168
140
26
51
5
4-M6×1P
42
14
19
10
40
Ø1~Ø100
Ø36~Ø90
4.3
尺寸图