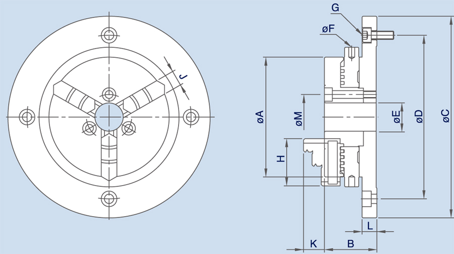
| 型式 / 規格 | A | B | C | D | E | F | G | H | J | K | L | M | 把握範圍 |
淨重 (kg) |
|
| 外徑把握 | 內徑把握 | ||||||||||||||
| SE-02 | 63 | 28 | 118 | 100 | 16 | 4 | 4-M5×0.8P | 27 | 8 | 13 | 8 | 26 | Ø0.8~Ø63 | Ø23~Ø58 | 1.2 |
| SE-03 | 85 | 37 | 143 | 116 | 20 | 4 | 4-M6×1P | 35 | 11 | 15 | 10.5 | 32 | Ø1~Ø81 | Ø31~Ø70 | 2.9 |
| SE-04 | 110 | 39 | 168 | 140 | 26 | 5 | 4-M6×1P | 42 | 14 | 19 | 10 | 40 | Ø1~Ø100 | Ø36~Ø90 | 4.3 |
| SE-05 | 130 | 45 | 202 | 168 | 32 | 6 | 4-M8×1.25P | 50 | 16 | 21 | 11.5 | 49 | Ø1.5~Ø116 | Ø43~Ø106 | 6.2 |
| SE-06 | 160 | 52 | 248 | 208 | 50 | 8 | 4-M10×1.5P | 65 | 19 | 26 | 15 | 70 | Ø1.5~Ø160 | Ø52~Ø148 | 11.1 |
