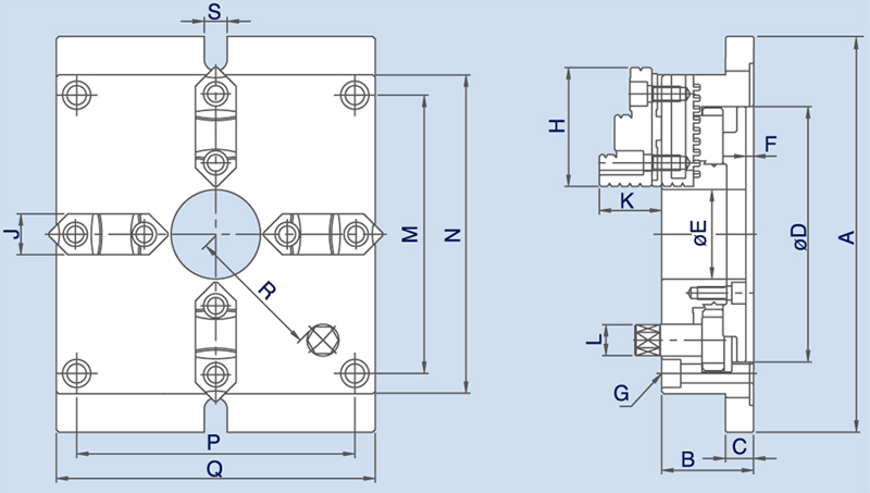
台湾千岛四爪卡盘型号:MC-06/MC-08/MC-10/MC-12
規格表
单位 / mm
|
型式 / 規格 |
A |
B |
C |
D |
E |
F |
G |
H |
J |
K |
L |
M |
|
MC-06 |
215 |
57 |
18 |
130 |
40 |
5.5 |
4-M10×1.5P |
68 |
26 |
39 |
14 |
144 |
|
MC-08 |
250 |
65 |
20 |
160 |
55 |
6 |
4-M12×1.75P |
82 |
28 |
43 |
17 |
174 |
|
MC-10 |
310 |
72 |
22 |
200 |
70 |
6 |
4-M14×2P |
93 |
32 |
50 |
21 |
218 |
|
MC-12 |
380 |
85 |
25 |
260 |
100 |
7 |
4-M16×2P |
118 |
40 |
56 |
23 |
274 |
|
型式 / 規格 |
N |
P |
Q |
R |
S |
把握範圍 |
淨重
(kg) |
|
外徑把握 |
內徑把握 |
|
MC-06 |
165 |
144 |
165 |
66 |
18 |
Ø4~Ø128 |
Ø55~Ø128 |
11.4 |
|
MC-08 |
200 |
174 |
200 |
83 |
18 |
Ø5~Ø162 |
Ø62~Ø162 |
18.6 |
|
MC-10 |
250 |
218 |
250 |
104 |
18 |
Ø6~Ø200 |
Ø72~Ø200 |
31.6 |
|
MC-12 |
310 |
274 |
310 |
135 |
22 |
Ø10~Ø265 |
Ø90~Ø265 |
56.6 |
尺寸图

使用范围
