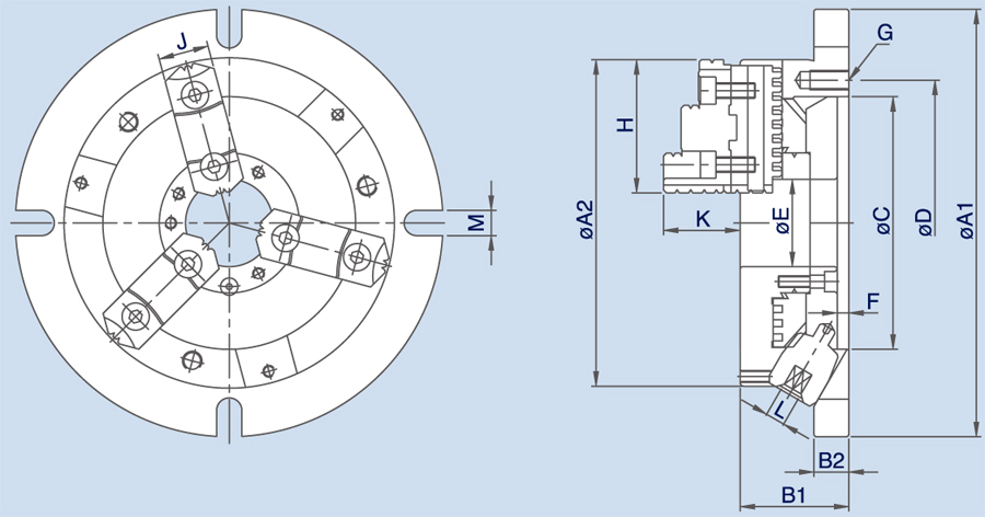
| 型式 / 規格 | A1 | A2 | B1 | B2 | C | D | E | F | G | H |
| NBK-06 | 220 | 170 | 58 | 18 | 130 | 147 | 45 | 6 | 3-M10×1.5P | 68 |
| NBK-08 | 270 | 210 | 65 | 20 | 155 | 172 | 60 | 6 | 3-M10×1.5P | 82 |
| NBK-10 | 315 | 255 | 73 | 20 | 190 | 210 | 80 | 6 | 3-M12×1.75P | 93 |
| NBK-12 | 370 | 305 | 80 | 22 | 250 | 285 | 105 | 5 | 3-M12×1.75P | 118 |
| 型式 / 規格 | J | K | L | M | 把握範圍 |
淨重 (kg) |
|
| 外徑把握 | 內徑把握 | ||||||
| NBK-06 | 26 | 40 | 10 | 13 | Ø8~Ø160 | Ø48~Ø150 | 10.6 |
| NBK-08 | 28 | 43 | 11 | 13 | Ø11~Ø200 | Ø62~Ø190 | 18.1 |
| NBK-10 | 32 | 52 | 12 | 16 | Ø12~Ø250 | Ø72~Ø240 | 27.9 |
| NBK-12 | 40 | 59 | 14 | 18 | Ø15~Ø300 | Ø86~Ø290 | 42.9 |
