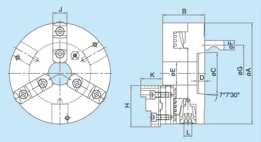
| 型式 / 規格 | A | B | C | D | E | F | G | H | J | K | L |
最高迴轉速 r.p.m(min-1) |
外徑把握 | 內徑把握 |
淨重 (kg) |
| D15-08" | 200 | 83 | 82.563 | 15 | 46 | 19 | 104.8 | 82 | 28 | 43 | 11 | 2000 | Ø8-Ø180 | Ø62-Ø170 | 17.8 |
| D16-08" | 200 | 83 | 106.375 | 16 | 58 | 22.2 | 133.4 | 82 | 28 | 43 | 11 | 2000 | Ø8-Ø180 | Ø62-Ø170 | 17.3 |
| D16-10" | 255 | 94 | 106.375 | 16 | 76 | 22.2 | 133.4 | 93 | 32 | 50 | 12 | 1800 | Ø11-Ø240 | Ø70-Ø230 | 31.3 |
| D18-10" | 255 | 94 | 139.719 | 18 | 76 | 25.4 | 171.4 | 93 | 32 | 50 | 12 | 1800 | Ø11-Ø240 | Ø70-Ø230 | 30.9 |
| D18-12" | 310 | 105 | 139.719 | 18 | 103 | 25.4 | 171.4 | 118 | 40 | 56 | 14 | 1800 | Ø15-Ø300 | Ø90-Ø290 | 51.1 |
| D111-20" | 500 | 135 | 196.869 | - | 190.5 | 30.2 | 235 | 140 | 55 | 84 | 19 | 1000 | Ø25-Ø480 | Ø125-Ø460 | 165.5 |