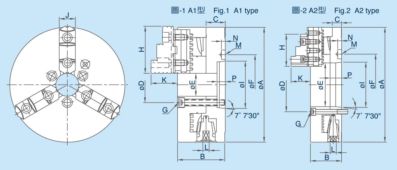
| 型式 / 規格 | A | B | C | D | E | F | G | H | I | J | K | L | P | M | N |
| A15-08'' | 200 | 83 | 33.5 | 61.9 | 40 | Ø104.8 | 3-M10×1.5P | 82 | 82.563 | 28 | 43 | 11 | 14.29 | Ø16.3 | 6.8 |
| A16-08'' | 200 | 83 | 33.5 | 82.6 | 56 | Ø133.4 | 3-M12×1.75P | 82 | 106.375 | 28 | 43 | 11 | 15.88 | Ø19.3 | 6.8 |
| A16-10'' | 255 | 91.5 | 36.5 | 82.6 | 56 | Ø133.4 | 3-M12×1.75P | 93 | 106.375 | 32 | 50 | 12 | 15.88 | Ø19.3 | 6.8 |
| A211-20'' | 500 | 135 | 40 | 235 | 190.5 | Ø235 | 6-M20×2.5P | 140 | 196.869 | 55 | 84 | 19 | - | Ø29.4 | 10.7 |
| 型式 / 規格 |
最高迴轉數 r.p.m.(min-1) |
把握範圍 |
淨重 (kg) |
參考圖 | |
| 外徑把握 | 內徑把握 | ||||
| A15-08'' | 2000 | Ø8-Ø180 | Ø62-Ø170 | 17.4 | 圖-1 |
| A16-08'' | 2000 | Ø8-Ø180 | Ø62-Ø170 | 18 | 圖-1 |
| A16-10'' | 1800 | Ø11-Ø240 | Ø70-Ø230 | 30.6 | 圖-1 |
| A211-20'' | 1000 | Ø25-Ø480 | Ø125-Ø460 | 161.5 | 圖-2 |
