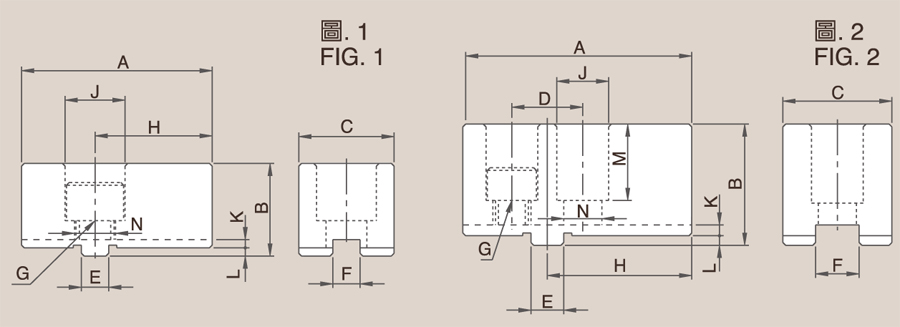
| 型式 / 規格 | A | B | C | D | E | F | G | H | J | K | L | M | N | 參考圖 |
| S-06 | 70 | 34 | 35 | - | 10 | 10 | M14×2P | 43 | 23 | 3.0 | 3.0 | 21 | 15.5 | 圖 - 1 |
| S-08 | 84 | 44.5 | 40 | 26 | 12 | 16 | M12×1.75P | 53 | 20 | 3.5 | 3.5 | 29 | 13.5 | 圖 - 2 |
| S-10 | 100 | 49.5 | 50 | 32 | 15 | 18 | M14×2P | 62 | 23 | 3.5 | 3.5 | 32 | 15.5 | 圖 - 2 |
| S-12 | 120 | 54.5 | 60 | 36 | 17 | 20 | M16×2P | 78 | 26 | 3.5 | 3.5 | 36 | 17.5 | 圖 - 2 |