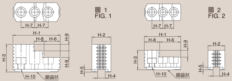
| 型式 / 規格 | H-1 | H-2 | H-3 | H-4 | H-5 | H-6 | H-7 | H-8 | H-9 | H-10 | 鋸齒狀節距 |
淨重 (kg) |
參考圖 |
| HJ-04 | 53 | 23 | 28 | 10 | 4 | 29 | 14 | 24 | 10 | M8×1.25P | 1.5 × 60゚ | 0.4 | 圖 - 2 |
| HJ-05 | 53 | 23 | 28 | 10 | 4 | 29 | 14 | 24 | 10 | M8×1.25P | 1.5 × 60゚ | 0.4 | 圖 - 2 |
| HJ-06 | 67 | 31 | 36 | 12 | 5 | 39 | 20 | 28 | 12 | M10×1.5P | 1.5 × 60゚ | 0.95 | 圖 - 2 |
| HJ-08 | 87 | 35 | 51 | 14 | 5 | 29.5 | 25 | 18 | 12 | M12×1.75P | 1.5 × 60゚ | 1.9 | 圖 - 1 |
| HJ-10 | 101 | 40 | 54 | 16 | 5 | 45.5 | 30 | 18 | 13 | M12×1.75P | 1.5 × 60゚ | 2.8 | 圖 - 1 |
| HJ-12 | 108 | 50 | 67 | 21(18) | 4(5) | 49 | 30 | 20 | 16 | M16×2P(M14x2P) | 1.5 × 60゚ | 3.5 | 圖 - 1 |
| HJ-15 | 143 | 62 | 86 | 22(25.5) | 8(5) | 55 | 43 | 38 | 20 | M20×2.5P | 1.5 × 60゚ | 9.5 | 圖 - 1 |
| HJ-18 | 143 | 62 | 86 | 22(25.5) | 8(5) | 55 | 43 | 38 | 20 | M20×2.5P | 1.5 × 60゚ | 9.5 | 圖 - 1 |
| HJ-21 | 159.5 | 80 | 90 | 25 | 9 | 97.5 | 50 | 62 | 40 | M20x2.5P | 3 x 60゚ | 15.3 | 圖 - 2 |
| HJ-24 | 159.5 | 80 | 90 | 25 | 9 | 97.5 | 50 | 62 | 40 | M20x2.5P | 3 x 60゚ | 15.3 | 圖 - 2 |
| HJ-32 | 159.5 | 80 | 90 | 25 | 9 | 97.5 | 50 | 62 | 40 | M20x2.5P | 3 x 60゚ | 15.3 | 圖 - 2 |
| HJ-40 | 159.5 | 80 | 90 | 25 | 9 | 97.5 | 50 | 62 | 40 | M20×2.5P | 3 × 60゚ | 15.3 | 圖–2 |