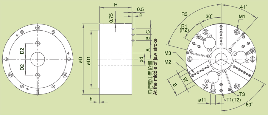
| 型式 / 規格 | A | B | C | D | E | D1 |
d (H7) |
D2 | H | h | W | M1 |
| TK-04 | 20.75 | 12.7 | 12.7 | 101.6 | 30 | 82.55 | 18 | 25 | 70.3 | 3.2 | 16 | 6-M5×0.8P(PCD Ø88.9) |
| TK-06 | 39.75 | 12.7 | 12.7 | 152.4 | 40 | 124.97 | 26 | 34.5 | 70.3 | 3.2 | 22 | 6-M6×1P(PCD Ø135.89) |
| TK-08 | 65.75 | 25.4 | - | 203.2 | 45 | 167.64 | 50 | 50 | 99.5 | 7.0 | 25 | 6-M10×1.5P(PCD Ø182.88) |
| 型式 / 規格 | M2 | M3 | T1 | T2 | T3 | R1 |
| TK-04 | 6-M5×0.8P | 9-Ø3.18 | 3-M5×0.8P(PCD Ø88.9) | - | - | 30° |
| TK-06 | 12-M5×0.8P | 9-Ø3.18 | 3-M6×1P(PCD Ø135.89) | 3-M6×1P(PCD Ø110) | 3-M6×1P(PCD Ø135.89) | 30° |
| TK-08 | 6-M10×1.5P | 6-Ø6.36 | 3-M8×1.25P(PCD Ø182.88) | 3-M8×1.25P(PCD Ø150) | 3-M8×1.25P(PCD Ø100) | 30° |
| 型式 / 規格 | R2 | R3 |
爪行程(直徑) mm |
空壓夾持力 7 kgf/cm2 (0.7Mpa) |
最高迴轉數 r.p.m (min-1) |
淨重 (kg) |
| TK-04 | - | - | 3 | 310 (3.1) | 4500 | 4.4 |
| TK-06 | 30° | 75° | 3 | 790 (7.8) | 4200 | 9.8 |
| TK-08 | 30° | 30° | 3 | 1450 (14.3) | 2500 | 26.3 |
