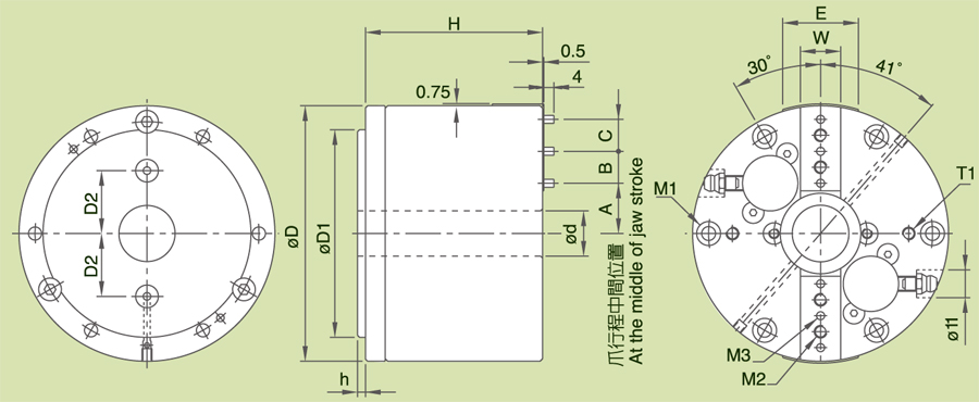
| 型式 / 規格 | A | B | C | D | E | D1 |
d (H7) |
D2 | H | h |
| TK-04T | 20.75 | 12.7 | 12.7 | 101.6 | 30 | 82.55 | 18 | 25 | 70.3 | 3.2 |
| TK-06T | 39.75 | 12.7 | 12.7 | 152.4 | 40 | 124.97 | 26 | 34.5 | 70.3 | 3.2 |
| TK-08T | 65.75 | 25.4 | - | 203.2 | 45 | 167.64 | 50 | 50 | 99.5 | 7.0 |
| 型式 / 規格 | M1 | M2 | M3 | W | T1 |
| TK-04T | 6-M5×0.8P(PCD Ø88.9) | 4-M5×0.8P | 6-Ø3.18 | 16 | 2-M5×0.8P (PCDØ70) |
| TK-06T | 6-M6×1P(PCD Ø135.89) | 8-M5×0.8P | 6-Ø3.18 | 22 | 2-M6×1P (PCDØ110) |
| TK-08T | 6-M10×1.5P(PCD Ø182.88) | 4-M10×1.5P | 4-Ø6.36 | 25 | 2-M8×1.25P (PCDØ150) |
| 型式 / 規格 |
爪行程(直徑) mm |
空壓夾持力 7 kgf/cm2 (0.7Mpa) |
最高迴轉數 r.p.m (min-1) |
淨重 (kg) |
| TK-04T | 3 | 310 (3.1) | 3500 | 4.2 |
| TK-06T | 3 | 790 (7.8) | 3500 | 9.5 |
| TK-08T | 3 | 1450 (14.3) | 2000 | 25.1 |


