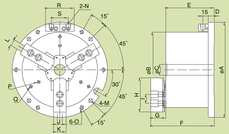
| 型式 / 規格 | A | B | C | D | E | F | G | H | I | J | K | L | M | N | O | P | R | S |
| MO-04 | 157 | 115 | - | 15 | 77.5 | 104 | 26 | 49.5 | 14 | 10 | 23 | 13 | Ø9(PCD Ø135) | PT1/8 | M8×1.25P | 3-M8×1.25P (PCDØ90) | 64 | 47 |
| MO-05 | 185 | 135 | - | 15 | 95 | 128 | 33 | 62 | 14 | 10 | 25 | 13 | Ø9(PCD Ø165) | PT1/4 | M8×1.25P | 3-M8×1.25P (PCDØ100) | 80 | 47 |
| MO-06 | 224 | 169 | 25 | 16 | 118 | 158 | 40 | 73 | 20 | 12 | 31 | 18 | Ø11(PCD Ø202) | PT1/4 | M10×1.5P | 3-M8×1.25P (PCDØ134) | 80 | 47 |
| MO-08 | 265 | 210 | 30 | 20 | 138 | 180 | 42 | 95 | 25 | 14 | 35 | 18 | Ø11(PCD Ø243) | PT1/4 | M10×1.5P | 3-M10×1.5P (PCDØ136) | 80 | 47 |
| MO-10 | 315 | 254 | 52 | 23 | 150 | 196 | 46 | 110 | 30 | 16 | 40 | 18 | Ø13(PCD Ø285) | PT1/4 | M12×1.75P | 3-M12×1.75P (PCDØ170) | 80 | 47 |
| MO-12 | 375 | 304 | 80 | 23 | 165 | 219 | 54 | 129 | 30 | 21 | 50 | 18 | Ø17(PCD Ø340) | PT3/8 | M16×2P | 3-M12×1.75P (PCDØ200) | 80 | 55 |
| MO-08L | 265 | 210 | 30 | 20 | 138 | 180 | 42 | 95 | 25 | 14 | 35 | 18 | Ø11(PCD Ø243) | PT1/4 | M10×1.5P | 3-M10×1.5P (PCDØ135) | 80 | 47 |
| 型式 / 規格 | Q |
活塞面積 (cm2) |
柱塞行程 (mm) |
爪行程(直徑) mm |
最大靜夾持力 kgf (KN) |
最大設定 油壓壓力 kgf/cm2 (Mpa) |
空壓夾持力 7 kgf/cm2 (0.7Mpa) |
淨重 (kg) |
夾持範圍 |
| MO-04 | - | 57 | 9 | 3.8 | 2400 (23.5) | 15 (1.5) | 930 (9.1) | 7.05 | Ø9~Ø115 |
| MO-05 | - | 74 | 10 | 5.4 | 3285 (32.2) | 20 (2.0) | 950 (9.3) | 11.2 | Ø12~Ø135 |
| MO-06 | - | 97 | 12 | 5.5 | 5040 (49.4) | 20 (2.0) | 1450 (14.2) | 21.0 | Ø15~Ø169 |
| MO-08 |
3-M10×1.5P (PCDØ186) |
156 | 16 | 7.4 | 8100 (79.4) | 20 (2.0) | 2350 (23.0) | 36.8 | Ø20~Ø210 |
| MO-10 |
3-M12×1.75P (PCDØ230) |
235 | 19 | 8.8 | 12210 (119.7) | 20 (2.0) | 3550 (34.8) | 56.4 | Ø33~Ø254 |
| MO-12 |
3-M12×1.75P (PCDØ260) |
292 | 23 | 10.6 | 14500 (142.1) | 20 (2.0) | 4400 (43.1) | 88.5 | Ø40~Ø304 |
| MO-08L |
3-M10×1.5P (PCDØ186) |
156 | 16.5 | 12 | 5202 (51) | 20 (2.0) | 1500 (14.7) | 37.6 | Ø20~Ø210 |
