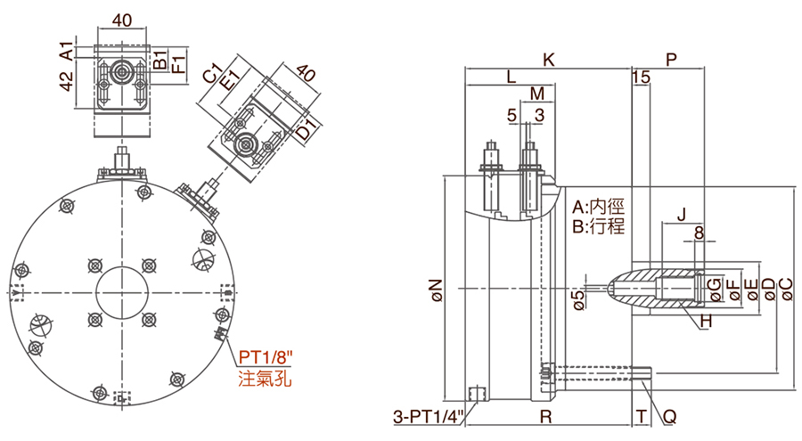
| 型式 / 規格 | A | B |
C (h7) |
D | E | F | E1 | F1 |
G (HB) |
H |
| LS1120REA | 110 | 20 | 145 | 128 | 42 | 30 | 42.5 | 31 | 22 | M20x2.5P |
| LS1221REA | 120 | 21 | 168 | 145 | 44 | 32 | 42.5 | 31 | 22 | M20x2.5P |
| LS1330REA | 130 | 30 | 168 | 150 | 51 | 36 | 52.5 | 32.5 | 26 | M24x3P |
| 型式 / 規格 | J | K | A1 | B1 | C1 | D1 | L |
M max. |
M min |
| LS1120REA | 35 | 135 | 9.9 | 21.9 | 52.9 | 22.9 | 74.5 | 49.9 | 29.9 |
| LS1221REA | 35 | 138 | 8.9 | 20.9 | 52.9 | 22.9 | 74.5 | 49.9 | 28.9 |
| LS1330REA | 35 | 155 | 10 | 22 | 63 | 33 | 84.5 | 60 | 30 |
| 型式 / 規格 | N |
P max. |
P min |
Q | R | T |
活塞行程 (mm) |
最高迴轉速 r.p.m.(min-1) |
| LS1120REA | 163 | 60 | 40 | 6-M8x1.25P | 125 | 17 | 20 | 6000 |
| LS1221REA | 186 | 60 | 39 | 6-M10x1.5P | 128 | 16 | 21 | 6000 |
| LS1330REA | 186 | 60 | 30 | 6-M10x1.5P | 145 | 19 | 30 | 6000 |
| 型式 / 規格 |
慣性矩 (kg-m2) |
流量 (l/min) |
最大設定壓力 kgf/cm2 (Mpa) |
活塞面積 (cm2) |
最大推(拉)力 |
淨重 (kg) |
注氣壓力 (Mpa) |
||
| 推力側 | 拉力 |
推力 kgf (KN) |
拉力 kgf(KN) |
||||||
| LS1120REA | 0.02 | 1.2 | 35 (3.4) | 88.6 | 84.8 | 2800 (27.5) | 2700 (26.5) | 8.25 | 10.2 (1.0) |
| LS1221REA | 0.03 | 1.2 | 40 (3.9) | 106.7 | 102 | 3900 (38) | 3800 (37) | 10.8 | 10.2 (1.0) |
| LS1330REA | 0.03 | 1.2 | 40 (3.9) | 126.4 | 119.4 | 4600 (45) | 4300 (42) | 11.4 | 10.2 (1.0) |
流量測試標準-壓力: 30kgf/cm2(2.94Mpa) 油溫50°C
