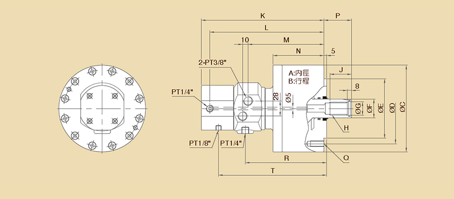
| 型式 / 規格 | A | B | C | D |
E (h7) |
F |
G max. (H8) |
H |
| L1020RC | 105 | 20 | 135 | 100 | 80 | 30 | 21 | M20×2.5P |
| L1225RC | 125 | 25 | 160 | 130 | 110 | 35 | 25 | M24×3P |
| L1530RC | 150 | 30 | 190 | 130 | 110 | 45 | 32 | M30×3.5P |
| 型式 / 規格 | J | K | L | M | N | P max. | P min. | Q |
| L1020RC | 35 | 208 | 193.5 | 132 | 86 | 45 | 25 | 6-M10×1.5P |
| L1225RC | 45 | 216 | 201.5 | 140 | 94 | 51 | 26 | 6-M12×1.75P |
| L1530RC | 45 | 225 | 210.5 | 149 | 105 | 56 | 26 | 12-M12×1.75P |
| 型式 / 規格 | R | T |
活塞行程 (mm) |
最高迴轉速 r.p.m (min-1) |
慣性矩 (kg.m2) |
流量 (ι/min) |
最高使用壓力 kgf/cm2 (Mpa) |
活塞面積(cm2) | 最大推力 | 淨重 | 注水孔最高使用壓力 | |||
| 推力側 | 拉力側 |
推力側 kgf (KN) |
拉力側 kgf (KN) |
(kg) | kgf/cm2 | (Mpa) | ||||||||
| L1020RC | 137 | 178 | 20 | 6000 | 0.013 | 1.2 | 40 (3.9) | 85 | 79 | 3100(30.4) | 3000(29.4) | 7.3 | 10 | (1.0) |
| L1225RC | 145 | 186 | 25 | 6000 | 0.023 | 1.2 | 40 (3.9) | 121 | 113 | 4400 (43.1) | 4200(41.2) | 9.8 | 10 | (1.0) |
| L1530RC | 154 | 195 | 30 | 5500 | 0.048 | 1.2 | 40 (3.9) | 175 | 160 | 6300(61.8) | 6000(58.8) | 13.7 | 10 | (1.0) |
流量測試標準-壓力: 30kgf/cm2(2.94Mpa) 油溫50°C
