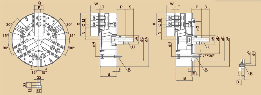
| 型式 / 規格 | 主軸鼻端番號 | A | B |
C (h6) |
D | E | E1 | F | G | H | K | L | M |
| CL-12DP | A2-8 | 304 | 110 | 220 | 139.719 | 18 | - | 6 | 190 | 171.4 | 6-M16×2P | 20 | 30 |
| CL-15DP | A2-11 | 381 | 118 | 300 | 196.869 | 22 | - | 6 | 260 | 235 | 6-M20x2.5P | 32 | 43 |
| CL-18DP | A2-11 | 450 | 118 | 300 | 196.869 | 22 | - | 6 | 260 | 235 | 6-M20x2.5P | 32 | 43 |
| CL-21DP | A2-15(A2-11) | 530 | 129 | 380 | 285.775 | 27 | 41 | 6 | 330.2 | 330.2 | 6-M24x3P | 33 | 60 |
| CL-24DP | A2-15(A2-11) | 610 | 129 | 380 | 285.775 | 27 | 41 | 6 | 330.2 | 330.2 | 6-M24x3P | 33 | 60 |
| CL-32DP | A2-15(A2-11) | 800 | 129 | 380 | 285.775 | 27 | 41 | 6 | 330.2 | 330.2 | 6-M24x3P | 33 | 60 |
| CL-40DP | A2-15(A2-11) | 1000 | 129 | 380 | 285.775 | 27 | 41 | 6 | 330.2 | 330.2 | 6-M24x3P | 33 | 60 |
| 型式 / 規格 | N max. | N min. | O max. | O min. | P max. | P min. | Q | R | S | T | U | V | W | X | Y |
| CL-12DP | 60.63 | 55.32 | 48.55 | 20.05 | 163 | 133 | 50 | 18 | 36 | 5 | M20×2.5P | 50 | 54 | 129 | - |
| CL-15DP | 69.05 | 60.97 | 58.05 | 40.05 | 104 | 69 | 62 | 25.5 | 55 | 7 | M30×3.5P | 60 | 68 | 165 | - |
| CL-18DP | 99.46 | 91.38 | 58.05 | 40.05 | 92 | 57 | 62 | 25.5 | 55 | 7 | M30×3.5P | 60 | 68 | 165 | - |
| CL-21DP | 80.49 | 72.41 | 101.8 | 41.8 | 96.95 | 61.95 | 65 | 25 | 55 | 7 | M30×3.5P | 60 | 75.5 | 180 | 235 |
| CL-24DP | 119.49 | 111.41 | 101.8 | 41.8 | 96.95 | 61.95 | 65 | 25 | 55 | 7 | M30×3.5P | 60 | 75.5 | 180 | 235 |
| CL-32DP | 119.49 | 111.39 | 197.8 | 41.8 | 97 | 61.95 | 65 | 25 | 55 | 7 | M30×3.5P | 60 | 75.5 | 180 | 235 |
| CL-40DP | 119.49 | 111.39 | 299.8 | 41.8 | 97 | 102 | 65 | 25 | 55 | 7 | M30×3.5P | 60 | 75.5 | 180 | 235 |
| 型式 / 規格 |
柱塞行程 (mm) |
爪行程(直徑) mm |
最高迴轉數 r.p.m (min-1) |
最大拉力 kgf (KN) |
最大靜夾持力 kgf (KN) |
最大設定 油壓壓力 kgf/cm2 (Mpa) |
搭配油壓缸型號 | 夾持範圍 |
淨重 (kg) |
| CL-12DP | 30 | 10.5 | 3200 | 4080 (40) | 15500 (152) | 29 (2.8) | L1530(L1530RE) | Ø18~Ø304 | 64.4 |
| CL-15DP | 35 | 16 | 3000 | 8260 (81) | 25290 (248) | 32 (3.1) | L2035(L2035RE) | Ø68~Ø381 | 104.1 |
| CL-18DP | 35 | 16 | 2700 | 8260 (81) | 25290 (248) | 32 (3.1) | L2035(L2035RE) | Ø100~Ø450 | 138.5 |
| CL-21DP | 35 | 16 | 1900 | 8650 (85) | 27000 (265) | 33 (3.2) | L2035(L2035RE) | Ø80~Ø530 | 204.8 |
| CL-24DP | 35 | 16 | 1700 | 8650 (85) | 27000 (265) | 33 (3.2) | L2035(L2035RE) | Ø155~Ø610 | 260 |
| CL-32DP | 35 | 16 | 1100 | 8650 (85) | 27000 (265) | 33 (3.2) | L2035(L2035RE) | Ø155~Ø800 | 455.4 |
| CL-40DP | 35 | 16 | 800 | 8650 (85) | 27000 (265) | 33 (3.2) | L2035(L2035RE) | Ø155~Ø1000 | -- |
