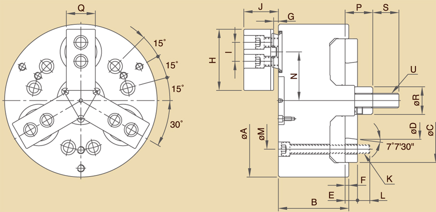
| 型式 / 規格 | A | B | C | D | E | F | G max. | G min | H | J max. | J min |
| PL-06 | 169 | 83 | 140 | 82.563 | 15 | 5 | 15 | 5 | 70 | 46 | 36 |
| PL-08 | 210 | 97 | 170 | 106.375 | 17 | 5 | 16.5 | 6.5 | 84 | 57 | 47 |
| PL-10 | 254 | 110 | 220 | 139.719 | 18 | 5 | 22 | 6 | 100 | 68 | 52 |
| PL-12 | 304 | 125 | 220 | 139.719 | 18 | 5 | 21.5 | 5.5 | 120 | 72.5 | 56.5 |
| 型式 / 規格 | I | K | L | M | N max. | N min | P max. | P min | Q | R |
| PL-06 | - | 6-M10×1.5P | 14 | 104.8 | 56.65 | 54 | 33 | 23 | 35 | 32 |
| PL-08 | 26 | 6-M12×1.75P | 17 | 133.4 | 69.65 | 67 | 38 | 28 | 40 | 38 |
| PL-10 | 32 | 6-M16×2P | 24 | 171.4 | 87.8 | 82 | 48 | 32 | 50 | 50 |
| PL-12 | 36 | 6-M16×2P | 20 | 171.4 | 102.8 | 97 | 47 | 31 | 60 | 52 |
| 型式 / 規格 | S | U |
柱塞行程 (mm) |
爪行程(直徑) mm |
最高迴轉數 r.p.m (min-1) |
最大拉力 kgf (KN) |
| PL-06 | 36 | M16×2P | 10 | 5.3 | 3500 | 1420 (14) |
| PL-08 | 36 | M20×2.5P | 10 | 5.3 | 3000 | 2240 (22) |
| PL-10 | 46 | M24×3P | 16 | 11.6 | 2500 | 3160 (31) |
| PL-12 | 50 | M27×3P | 16 | 11.6 | 2000 | 4480 (44) |
| 型式 / 規格 |
最大靜夾持力 kgf (KN) |
最大設定 油壓壓力 kgf/cm2 (Mpa) |
淨重 (kg) |
搭配油壓缸型號 | 夾持範圍 |
| PL-06 | 2950 (29) | 22 (2.2) | 15.4 | L1020 | Ø35~Ø160 |
| PL-08 | 4890 (48) | 22 (2.2) | 27.8 | L1225 | Ø40~Ø210 |
| PL-10 | 4990 (49) | 30 (2.9) | 45.9 | L1225 | Ø50~Ø254 |
| PL-12 | 7240 (71) | 30 (2.9) | 75.7 | L1530 | Ø50~Ø304 |
