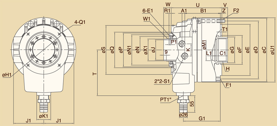
| 型式 / 規格 | A1 | B1 | C | C1 | D | D1 |
E (h7) |
E1 | F | F1 | F2 | G | G1 | H | H1 |
| P1452S | 9 | 109.2 | 180 | 30 | 165 | 165 | 140 | M6×1P | 85 | 6-M10×1.5P | 6-M8×1.25P | 70 | 113.9 | M60×2P | 120 |
| P1666S | 9 | 120.7 | 209 | 35 | 190 | 190 | 168 | M6×1P | 95 | 12-M12×1.75P | 6-M10×1.5P | 85 | 125.4 | M75×2P | 145 |
| P1881S | 10.7 | 133.7 | 222 | 35 | 205 | 205 | 168 | M6×1P | 110 | 12-M12×1.75P | 6-M10×1.5P | 100 | 139.2 | M90×2P | 166 |
| P2110S | 12 | 152.2 | 266 | 35 | 240 | 240 | 200 | M6x1P | 135 | 12-M12x1.75P | 6-M12×1.75P | 125 | 158.5 | M115×2P | 201 |
| 型式 / 規格 | J | J1 | K | K1 | L1 | M1 | N | N1 | P | P1 | Q | Q1 | R1 | S | S1 | T | T1 | U |
| P1452S | 52 |
83 |
40 | 46 | 15 | 55 | 73 | 85 | 96 | 4 | 102 | M6 x 1P | 10.5 | 137 | PT 1/2 | 130 | 4 | 155.7 |
| P1666S | 66 | 99 | 40 | 46 | 15 | 70 | 88 | 100 | 111 | 4 | 117 | M6 x 1P | 10.5 | 161 | PT 1/2 | 150 | 5 | 170.2 |
| P1881S | 81 | 107.5 | 40 | 46 | 15 | 85 | 103 | 113 | 126 | 4 | 132 | M6 x 1P | 10.5 | 176 | PT 1/2 | 175 | 5 | 189.2 |
| P2110S | 106 | 125 | 40 | 46 | 15 | 110 | 133 | 145 | 160 | 4 | 166 | M6x1P | 10.5 | 210 | PT 1/2 | 200 | 5 | 216.7 |
| 型式 / 規格 | U1 | V max | V min | W max | W1 | W min | X1 | Z |
活塞行程 (mm) |
最高迴轉數 r.p.m.(min -1) |
活塞直徑 (mm) |
| P1452S | 201 | 17 | -3 | 48.2 | M58x1.5P | 28.2 | 55.8 | 5 | 20 | 6500 | 145 |
| P1666S | 229 | 19 | -3 | 50.2 | M74x1.5P | 28.2 | 71.8 | 5 | 22 | 5600 | 165 |
| P1881S | 240 | 21.1 | -3.9 | 53.2 | M89x2P | 28.2 | 85.8 | 5 | 25 | 4800 | 180 |
| P2110S | 284 | 19 | -11 | 58.2 | M118x2P | 28.2 | 114.8 | 8 | 30 | 3500 | 210 |
| 型式 / 規格 |
慣性矩 (kg.m 2 ) |
流量 (l/min) |
最高使用壓力 Kgf/cm2 (Mpa) |
活塞面積 (cm 2 ) |
最大推(拉)力 |
淨重 (kg) |
||
| 推力側 | 拉力側 |
推力 Kgf (KN) |
拉力 Kgf (KN) |
|||||
| P1452S | 0.035 | 3.9 | 40(3.9) | 137 | 126 | 4860(47.6) | 4464(43.7) | 12.3 |
| P1666S | 0.07 | 4 | 40(3.9) | 170 | 157 | 6048(59.3) | 5580(54.7) | 17.4 |
| P1881S | 0.09 | 4.3 | 40(3.9) | 191 | 175 | 6804(66.7) | 6264(61.4) | 21.9 |
| P2110S | 0.20 | 6.0 | 35(3.4) | 232 | 223.5 | 6900(67.6) | 6650(65.2) | 35.8 |
