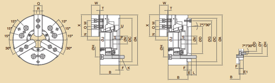
| 型式 / 規格 | 主軸鼻端番號 | A | B | C(h6) | D | E | E1 | F | G | H | J | K |
| OPB-206 | A2-5 | 170 | 81 | 140 | 82.563 | - | 20 | 5 | - | PCDØ122 | 52 | 6-M10×1.5P |
| OPB-208 | A2-6 | 215 | 91 | 170 | 106.375 | - | 22 | 5 | - | PCDØ150 | 66 | 6-M12×1.75P |
| OPB-210 | A2-8 | 256 | 100 | 220 | 139.719 | - | 28 | 5 | - | PCDØ180 | 81 | 6-M16×2P |
| OPB-212 | A2-11(A2-8) | 315 | 108 | 300 | 196.869 | 22 | 33 | 5 | 260 | PCDØ235 | 106 | 6-M20×2.5P |
| OPB-215 | A2-15(A2-11) | 405 | 133 | 380 | 285.775 | 27 | 41 | 6 | 330.2 | PCDØ330.2 | 142 | 6-M24×3P |
| OPB-218 | A2-15(A2-11) | 455 | 134 | 380 | 285.775 | 27 | 41 | 6 | 330.2 | PCDØ330.2 | 166.5 | 6-M24×3P |
| 型式 / 規格 | L | M | N max. | N min. | O max | O min. | P max. | P min. | Q | R | S | T | U |
| OPB-206 | - | 20 | 36.35 | 33.6 | 21.1 | 9.1 | 7 | -5 | 31 | 12 | 23 | 2 | M60 x 2P |
| OPB-208 | - | 25 | 46.6 | 42.9 | 26.6 | 11.6 | 10 | -6 | 35 | 14 | 25 | 2 | M75 x 2P |
| OPB-210 | - | 30 | 54.6 | 50.1 | 33.1 | 13.6 | 8.5 | -10.5 | 40 | 16 | 25 | 2 | M90 x 2P |
| OPB-212 | 27 | 30 | 69.7 | 64.3 | 45.6 | 12.6 | 8 | -15 | 50 | 21 | 28 | 2 | M115 x 2P |
| OPB-215 | 32 | 43 | 95.1 | 89.5 | 43.55 | 16.55 | 8 | -15 | 62 | 22 | 42.5 | 5 | M155 x 2P |
| OPB-218 | 32 | 43 | 108.29 | 102.45 | 55.55 | 16.55 | 11.5 | -13 | 62 | 22 | 38 | 5 | M180 x 3P |
| 型式 / 規格 | V | W | X | Y |
通孔直徑 (mm) |
柱塞行程 (mm) |
爪行程 [直徑] (mm) |
最高迴轉數 r.p.m. (min-1) |
| OPB-206 | 20 | 37.5 | 73 | 104.8 | 52 | 12 | 5.5 | 6000 |
| OPB-208 | 30 | 39.5 | 80 | 133.4 | 66 | 16 | 7.4 | 5000 |
| OPB-210 | 40 | 43 | 110 | 171.4 | 81 | 19 | 8.8 | 4200 |
| OPB-212 | 50 | 51 | 129 | 171.4 | 106 | 23 | 10.6 | 3400 |
| OPB-215 | 80 | 66 | 165 | 235 | 142 | 23 | 10.6 | 2500 |
| OPB-218 | 80 | 66 | 165 | 235 | 166.5 | 24.5 | 11.3 | 2000 |
| 型式 / 規格 | 最大拉力 | 最大靜夾持力 |
最大設定 油壓壓力 |
淨重 (kg) |
搭配油壓缸型號 | 夾持範圍 | |||
| kgf | (KN) | kgf | (KN) | kgf/cm2 | (Mpa) | ||||
| OPB-206 | 2200 | (21.5) | 5900 | (58) | 21 | (2.0) | 12.3 | P1452S | Ø13~Ø170 |
| OPB-208 | 3400 | (33) | 8800 | (86) | 26 | (2.5) | 21.7 | P1666S | Ø50~Ø215 |
| OPB-210 | 4300 | (42) | 11100 | (109) | 29 | (2.8) | 33.6 | P1881S | Ø34~Ø254 |
| OPB-212 | 5600 | (55) | 14580 | (143) | 29 | (2.8) | 57.7 | P2110S | Ø50~Ø315 |
| OPB-215 | 7240 | (71) | 18250 | (179) | 26 | (2.5) | 122.5 | P2816 | Ø60~Ø405 |
| OPB-218 | 7240 | (71) | 18250 | (179) | 26 | (2.5) | 165 | P2816 | Ø80~Ø455 |
