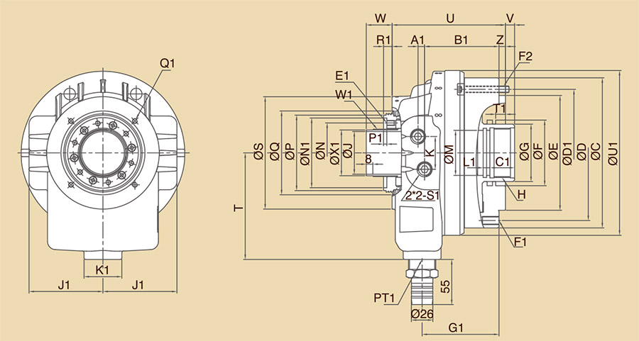
| 型式 / 規格 | A1 | B1 | C | C1 | D | D1 |
E (h7) |
E1 | F | F1 | F2 | G | G1 | H | J | J1 |
| PA1246 | 8 | 80.5 | 165 | 25 | 147 | 147 | 130 | 6-M6x1P | 75 | 12-M10x1.5P | 6-M8x1.25p | 65 | 86 | M55x2P | 46 | 80 |
| PA1452 | 8 | 90.5 | 183 | 30 | 165 | 165 | 140 | 6-M6x1P | 80 | 6-M10x1.5P | 6-M8x1.25p | 70 | 93.5 | M60x2P | 52 | 90 |
| PA1775 | 10.5 | 109.9 | 215 | 35 | 195 | 195 | 160 | 6-M6x1P | 105 | 12-M10x1.5P | 6-M10x1.5P | 95 | 111 | M85x2P | 75 | 106 |
| 型式 / 規格 | K | K1 | L1 | M | N | N1 | P | P1 | Q | Q1 | R1 | S | S1 | T | T1 | U |
| PA1246 | 40 | 46 | 15 | 50 | 64 | 76 | 85 | 9 | 90 |
4-M5x0.8P (PCDØ98) |
10.5 | 121 | PT 3/8 | 120 | 12 | 120 |
| PA1452 | 40 | 46 | 15 | 55 | 73 | 85 | 96 | 8 | 102 |
4-M6x1P (PCDØ110) |
10.5 | 137 | PT 3/8 | 130 | 12 | 138 |
| PA1775 | 46 | 46 | 15 | 80 | 98 | 108 | 120 | 9 | 126 |
4-M6x1P (PCDØ155) |
10.5 | 165 | PT 1/2 | 160 | 12 | 165 |
| 型式 / 規格 | U1 |
V max. |
V min |
W max. |
W1 |
W min |
X1 | Z |
活塞行程 (mm) |
最高迴轉速 r.p.m.(min-1) |
活塞直徑 (mm) |
| PA1246 | 183 | 5 | -11 | 45 | M52x1.5P | 29 | 49.8 | 8 | 16 | 8000 | 128 |
| PA1452 | 201 | 11 | -11 | 53.5 | M58x1.5P | 31.5 | 55.8 | 8 | 22 | 6500 | 145 |
| PA1775 | 233 | 14 | -11 | 57 | M84x2P | 32 | 80.8 | 8 | 25 | 5500 | 170 |
| 型式 / 規格 |
慣性矩 (kg-m2) |
流量 (l/min) |
最高使用壓力 kgf/cm2 (Mpa) |
活塞面積 (cm2) |
最大推(拉)力 | ||
| 推力側 | 拉力 |
推力 kgf (KN) |
拉力 kgf(KN) |
||||
| PA1246 | 0.02 | 3.0 | 46(4.5) | 103.5 | 92 | 4250(41.6) | 3800(37.5) |
| PA1452 | 0.035 | 3.9 | 46(4.5) | 134 | 123 | 5500(53.9) | 5100(50) |
| PA1775 | 0.065 | 4.2 | 46(4.5) | 165 | 151 | 6800(66.7) | 6300(61.8) |
流量測試標準-壓力: 30kgf/cm2(2.94Mpa) 油溫50°C
