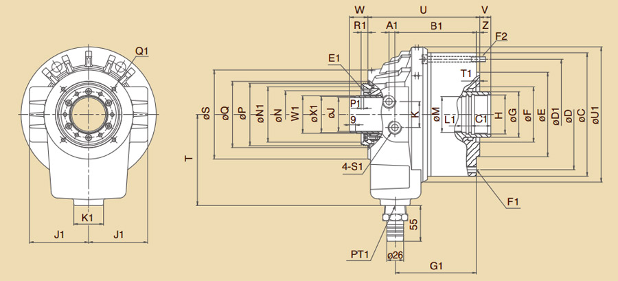
| 型式 / 規格 | A1 | B1 | C | C1 | D | D1 | E(h7) | E1 | F | F1 | F2 | G | G1 | H | J | J1 |
| F1033S | 9 | 107.1 | 140 | 25 | 125 | 125 | 110 | 6-M6×1P | 65 | 6-M10×1.5P | 6-M8x1.25P | 45 | 110.5 | M38×1.5P | 33 | 67.5 |
| F1036S | 9 | 107.1 | 140 | 25 | 115 | 125 | 100 | 6-M5×0.8P | 65 | 6-M10×1.5P | 6-M8x1.25P | 48 | 110.5 | M42×1.5P | 36 | 67.5 |
| F1246S | 9 | 117.7 | 165 | 30 | 130 | 147 | 100 | 6-M6×1P | 80 | 6-M10×1.5P | 6-M8x1.25P | 65 | 117 | M55×2P | 46 | 80 |
| F1552S | 9 | 125.7 | 190 | 30 | 170 | 170 | 130 | 6-M6×1P | 85 | 12-M10×1.5P | 6-M8x1.25P | 70 | 125 | M60×2P | 52 | 91 |
| F1875S | 11.6 | 143 | 215 | 35 | 190 | 196 | 160 | 6-M6×1P | 125 | 12-M10×1.5P | 6-M10x1.5P | 95 | 143 | M85×2P | 75 | 107 |
| 型式 / 規格 | K | K1 | L1 | M | N | N1 | P | P1 | Q | Q1 | R1 | S | S1 | T | T1 | U |
| F1033S | 38 | 46 | 15 | 35 | 49 | 62 | 70 | 4 | 74 | 4-M5x0.8P(PCDØ83) | 6 | 103 | PT 1/4 | 115 | 6 | 158.1 |
| F1036S | 38 | 46 | 15 | 38 | 55 | 64 | 73 | 4 | 79 | 4-M5x0.8P(PCDØ88) | 10 | 103 | PT 3/8 | 115 | 6 | 158.1 |
| F1246S | 40 | 46 | 15 | 50 | 64 | 76 | 85 | 4 | 90 | 4-M5x0.8P(PCDØ98) | 10.5 | 121 | PT 1/2 | 125 | 6 | 164.2 |
| F1552S | 40 | 46 | 15 | 55 | 73 | 85 | 96 | 4 | 102 | 4-M6x1P(PCDØ110) | 10.5 | 137 | PT 1/2 | 140 | 6 | 172.2 |
| F1875S | 40 | 46 | 15 | 80 | 98 | 108 | 120 | 4 | 126 | 4-M6x1P(PCDØ155) | 10.5 | 165 | PT 1/2 | 170 | 4 | 197.3 |
| 型式 / 規格 | U1 | V max | V min | W max | W1 | W min | X1 |
活塞行程 (mm) |
Z |
最高迴轉數 r.p.m.(min -1) |
活塞直徑 (mm) |
慣性矩 (kg-m 2) |
| F1033S | 160 | 10.05 | -4.95 | 39.8 | M39x1.5P | 24.8 | 37 | 15 | 5 | 8000 | 105 | 0.012 |
| F1036S | 160 | 10.05 | -4.95 | 43.8 | M44x1.5P | 28.8 | 41.8 | 15 | 5 | 8000 | 105 | 0.012 |
| F1246S | 180 | 10.05 | -4.95 | 44.25 | M52x1.5P | 29.25 | 49.8 | 15 | 5 | 7000 | 125 | 0.019 |
| F1552S | 205 | 17.05 | -4.95 | 50.15 | M58x1.5P | 28.15 | 55.8 | 22 | 5 | 6200 | 155 | 0.053 |
| F1875S | 231 | 20.05 | -4.95 | 53.15 | M84x2P | 28.15 | 80.8 | 25 | 5 | 4700 | 180 | 0.096 |
| 型式 / 規格 |
流量 (l/min) |
最高使用壓力 Kgf/cm 2 (Mpa) |
活塞面積 (cm 2 ) |
最大推(拉)力 |
淨重 (kg) |
||
| 推力側 | 拉力側 |
推力 Kgf (KN) |
拉力 Kgf (KN) |
||||
| F1033S | 3.0 | 40 (3.9) | 74 | 70 | 2600 (25.5) | 2500 (24.5) | 8.2 |
| F1036S | 3.0 | 40 (3.9) | 70 | 68 | 2500 (24.5) | 2400 (23.5) | 8.4 |
| F1246S | 3.0 | 40 (3.9) | 100 | 89 | 3700 (36.2) | 3200 (31.3) | 11.5 |
| F1552S | 3.9 | 40 (3.9) | 160 | 150 | 5900 (57.8) | 5500 (53.9) | 15.4 |
| F1875S | 4.2 | 40 (3.9) | 198 | 183 | 7200 (70.5) | 6700 (65.6) | 22.9 |
流量測試標準-壓力: 30kgf/cm2(2.94Mpa) 油溫: 50°C
