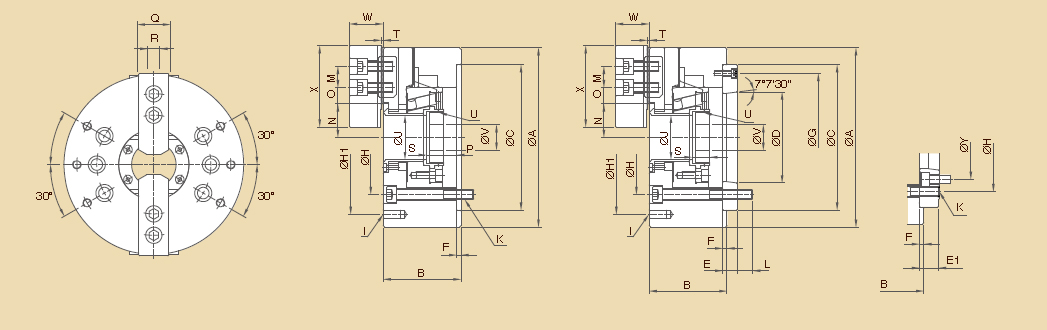
| 型式 / 規格 | 主軸鼻端番號 | A | B |
C (h6) |
D | E | E1 | F | G | H | H1 | I | J | K | L |
| OPT-206L | A 2-5 | 173 | 87 | 140 | 82.563 | 15 | - | 5 | 116 | 104.8 | PCDØ145 | 6-M10×1.5P | 45 | 6-M10×1.5P | 15 |
| OPT-208L | A 2-6(A 2-5) | 215 | 103 | 170 | 106.375 | 17 | 23 | 5 | 150 | 133.4 | PCDØ180 | 6-M10×1.5P | 52 | 6-M12×1.75P | 21 |
| OPT-210L | A 2-8(A 2-6) | 256 | 112 | 220 | 139.719 | 18 | 28 | 5 | 190 | 171.4 | PCDØ225 | 6-M12×1.75P | 75 | 6-M16×2P | 22 |
| 型式 / 規格 | M |
N max. |
N min. |
O max. |
O min. |
P max. |
P min. |
Q | R | S | T | U | V | W | X | Y |
通孔直徑 (mm) |
柱塞行程 (mm) |
| OPT-206L | 20 | 39.07 | 33.46 | 21.05 | 10.55 | 11 | -4 | 31 | 12 | 19 | 2 | M55×2P | 20 | 37.5 | 73 | - | 45 | 15 |
| OPT-208L | 25 | 47.85 | 39.66 | 25.05 | 13.05 | 14.5 | -7.5 | 35 | 14 | 20.5 | 2 | M60×2P | 30 | 39.5 | 95 | 104.8 | 52 | 22 |
| OPT-210L | 30 | 61.34 | 52.06 | 29.05 | 12.55 | 8.5 | -16.5 | 40 | 16 | 25 | 2 | M85×2P | 40 | 43 | 110 | 133.4 | 75 | 25 |
| 型式 / 規格 |
爪行程 [直徑] (mm) |
最高迴轉數 r.p.m.(min -1) |
最大拉力 kgf (KN) |
最大靜夾持力 kgf (KN) |
最大設定 油壓壓力 kgf/cm 2 (Mpa) |
淨重 (kg) | 搭配油壓缸型號 | 夾持範圍 |
| OPT-206L | 10.8 | 4300 | 1420 (-14) | 2650 (-26) | 18.5(-1.8) | 14.5 | P1246 | Ø20~Ø173 |
| OPT-208L | 16 | 3500 | 2240 (-22) | 3870 (-38) | 17 (-1.7) | 26.4 | P1552 | Ø25~Ø215 |
| OPT-210L | 18 | 3000 | 2850 (-28) | 4990 (-49) | 18 (-1.8) | 39.5 | P1875 | Ø40~Ø256 |
