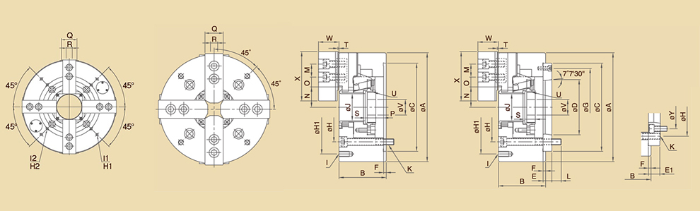
| 型式 / 規格 | 主軸鼻端番號 | A | B |
C (h6) |
D | E | E1 | F | G | H | H1 | I1 | H2 | I2 |
| OPF-206 | A 2-5 | 169 | 81 | 140 | 82.563 | 15 | - | 5 | 116 | 104.8 | PCDØ145 | 4-M10×1.5P | -- | -- |
|---|---|---|---|---|---|---|---|---|---|---|---|---|---|---|
| OPF-208 | A 2-6(A 2-5) | 210 | 91 | 170 | 106.375 | 17 | 23 | 5 | 150 | 133.4 | PCDØ180 | 4-M10×1.5P | -- | -- |
| OPF-210 | A 2-8(A 2-6) | 254 | 100 | 220 | 139.719 | 18 | 28 | 5 | 190 | 171.4 | PCDØ225 | 4-M12×1.75P | -- | -- |
| OPF-212 | A 2-8 | 304 | 110 | 220 | 139.719 | 18 | - | 6 | 190 | 171.4 | PCDØ250 | 4-M12×1.75P | -- | -- |
| OPF-215 | A 2-11(A 2-8) | 381 | 133 | 300 | 196.869 | 22 | 33 | 6 | 260 | 235 | PCDØ324 | 4-M12×1.75P | -- | -- |
| OPF-218 | A 2-11(A 2-8) | 450 | 133 | 300 | 196.869 | 22 | 33 | 6 | 260 | 235 | PCDØ300 | 4-M12×1.75P | PCDØ380 | 4-M12×1.75P |
| 型式 / 規格 | J | K | L | M | N max. | N min | O max. | O min. | P max. | P min. | Q | R | S | T | U | V | W | X | Y |
| OPF-206 | 45 | 4-M10×1.5P | 16 | 20 | 32.35 | 29.6 | 24 | 7 | 11 | -1 | 31 | 12 | 19 | 2 | M55×2P | 20 | 37.5 | 73 | - |
|---|---|---|---|---|---|---|---|---|---|---|---|---|---|---|---|---|---|---|---|
| OPF-208 | 52 | 4-M12×1.75P | 18 | 25 | 39.1 | 35.4 | 30 | 10 | 14.5 | -1.5 | 35 | 14 | 20.5 | 2 | M60×2P | 30 | 39.5 | 95 | 104.8 |
| OPF-210 | 75 | 4-M16×2P | 23 | 30 | 51.5 | 47.1 | 34 | 12 | 8.5 | -10.5 | 40 | 16 | 25 | 2 | M85×2P | 40 | 43 | 110 | 133.4 |
| OPF-212 | 91 | 4-M16×2P | 25 | 30 | 61.6 | 56.3 | 46 | 12 | 8 | -15 | 50 | 21 | 28 | 2 | M100×2P | 50 | 51 | 129 | - |
| OPF-215 | 117.5 | 4-M20×2.5P | 28 | 43 | 82.3 | 77 | 46 | 13 | 7 | -16 | 62 | 22 | 42.5 | 5 | M130×2P | 48 | 66.5 | 165 | 171.4 |
| OPF-218 | 120 | 4-M20×2.5P | 28 | 43 | 83.8 | 78.5 | 78 | 16.5 | 7 | -16 | 62 | 22 | 42.5 | 5 | M130×2P | 48 | 66.5 | 165 | 171.4 |
| 型式 / 規格 |
通孔直徑 (mm) |
柱塞行程 (mm) |
爪行程 [直徑] (mm) |
最高迴轉數 r.p.m.(min -1) |
最大拉力 kgf (KN) |
最大靜夾持力 kgf (KN) |
最大設定 油壓壓力 kgf/cm 2 (Mpa) |
淨重 (kg) |
搭配油壓缸型號 | 夾持範圍 |
| OPF-206 | 45 | 12 | 5.5 | 4500 | 1630 (16) | 4180 (41) | 21 (2.1) | 14.2 | P1246 | Ø22~Ø169 |
|---|---|---|---|---|---|---|---|---|---|---|
| OPF-208 | 52 | 16 | 7.4 | 3600 | 2440 (24) | 6010 (59) | 19 (1.9) | 24.5 | P1552 | Ø25~Ø210 |
| OPF-210 | 75 | 19 | 8.8 | 3200 | 3160 (31) | 8050 (79) | 20 (2.0) | 38.1 | P1875 | Ø28~Ø254 |
| OPF-212 | 91 | 23 | 10.6 | 2500 | 4080 (40) | 10400 (102) | 20 (2.0) | 60.5 | P2091 | Ø35~Ø304 |
| OPF-215 | 117.5 | 23 | 10.6 | 1800 | 5400 (53) | 13600 (134) | 19 (1.9) | 111.5 | P2511 | Ø63~Ø381 |
| OPF-218 | 120 | 23 | 10.6 | 1500 | 5400 (53) | 13600 (134) | 19 (1.9) | 164.5 | P2511 | Ø80~Ø450 |
