卡盘商城欢迎您!
微信公众号
扫一扫关注
收藏本站
帮助中心
网站首页
台湾卡盘
韩国卡盘
日本卡盘
德国卡盘
国产卡盘
卡盘资讯
联系我们
卡盘油缸一站式供应
℃
收藏
分享
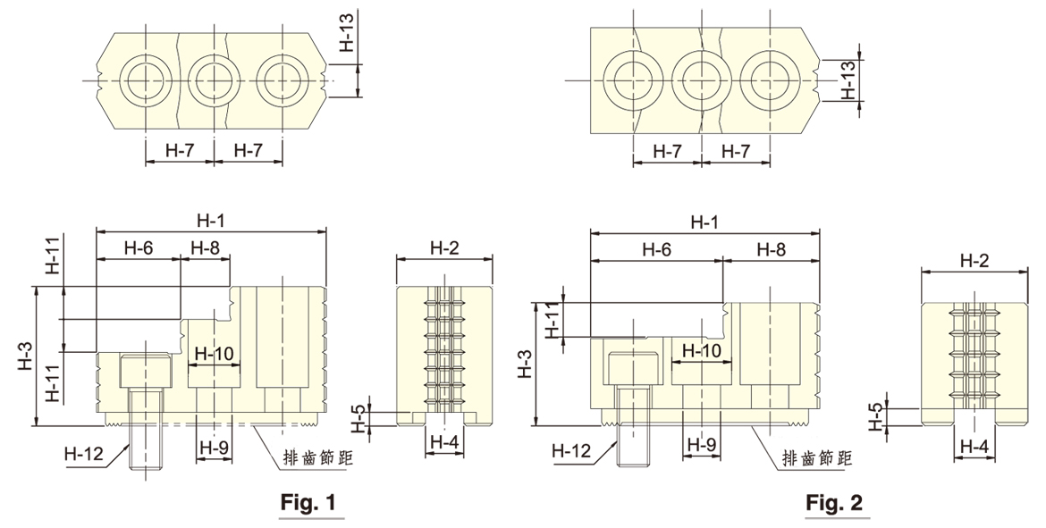
台湾佳贺autogrip标准硬爪HJ
品牌:
台湾佳贺
动力:
标准硬爪HJ
爪数:
型号:
HJ-05/HJ-06/HJ-08/HJ-10/HJ-12H/HJ-12P/HJ-15H/HJ-15P/HJ-21
产品介绍
图纸下载
台湾佳贺型号:HJ-05/HJ-06/HJ-08/HJ-10/HJ-12H/HJ-12P/HJ-15H/HJ-15P/HJ-21