卡盘商城欢迎您!
微信公众号
扫一扫关注
收藏本站
帮助中心
网站首页
台湾卡盘
韩国卡盘
日本卡盘
德国卡盘
国产卡盘
卡盘资讯
联系我们
卡盘油缸一站式供应
℃
收藏
分享
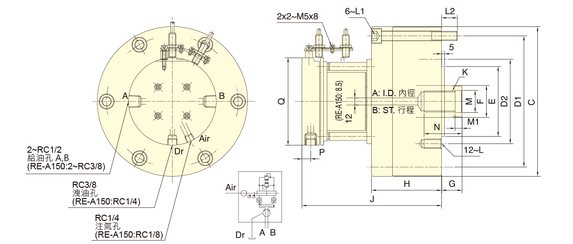
台湾佳贺autogrip附逆止阀注气回转油压缸RE-A
品牌:
台湾佳贺
动力:
轻量整合型注气回转油压缸
爪数:
型号:
RE-A110/RE-A120/RE-A130/RE-A150/RE-A200K/RE-A200L/RE-A250
产品介绍
图纸下载
台湾佳贺型号:RE-A110/RE-A120/RE-A130/RE-A150/RE-A200K/RE-A200L/RE-A250