卡盘商城欢迎您!
微信公众号
扫一扫关注
收藏本站
帮助中心
网站首页
台湾卡盘
韩国卡盘
日本卡盘
德国卡盘
国产卡盘
卡盘资讯
联系我们
卡盘油缸一站式供应
℃
收藏
分享
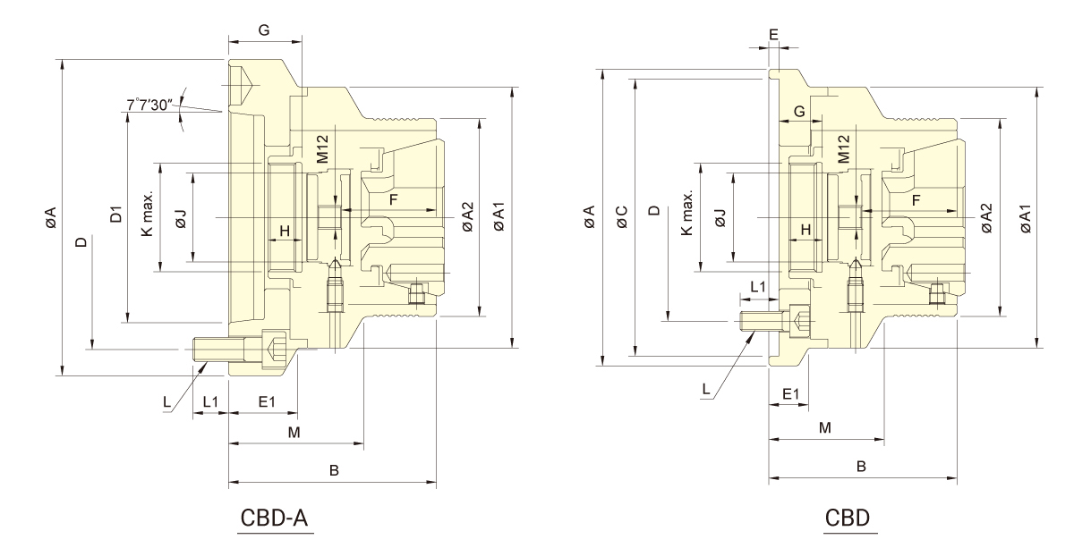
台湾佳贺autogrip前推固定式橡胶筒夹夹头CBD
品牌:
台湾佳贺
动力:
台湾佳贺
爪数:
型号:
CBD-52/CBD-5212/CBD-5217/CBD-52A5/CBD-52A6/CBD-65/CBD-6517/CBD-65A5/CBD-65A8
产品介绍
图纸下载
台湾佳贺型号:CBD-52/CBD-5212/CBD-5217/CBD-52A5/CBD-52A6/CBD-65/CBD-6517/CBD-65A5/CBD-65A8